Перейти до змісту

Горит лампа АКБ


Рекомендовані повідомлення

   Подскажите пожалуйста, что делать и где копать.

   Горит лампа АКБ постоянно,  реле заряда АКБ жужжит почти без остановки.  

   Поменял генератор на новый, реле заряда АКБ тоже поставил новое. Напряжение на клеммах АКБ 14.2 В , при старом генераторе скакало 12,5-13,5 В.

   После замены генератора и реле ничего не изменилось.

Посилання на коментар
https://lanos.com.ua/topic/91163-gorit-lampa-akb/
Поділитись на інші сайти

Была схожая проблема.

щетки какие ставил(реле регулятор напряжения)? не усиленные, с повышенной отдачей (14.4 в, 6А)?

вопрос в подключении провода на возбуждение обмотки, как оказалось.

54993.jpg

Посилання на коментар
https://lanos.com.ua/topic/91163-gorit-lampa-akb/#findComment-2044534
Поділитись на інші сайти

На Сенсах лампа включена немного странно. У меня после замены генератора был такой эффект - зумерило реле. Лампа включена параллельно реле, из-за этого бывает, что не хватает тока для открытия реле.

Я немного доработал. После этого стабильно работает.

0_147a86_20cbf510_L.jpg

Посилання на коментар
https://lanos.com.ua/topic/91163-gorit-lampa-akb/#findComment-2044553
Поділитись на інші сайти

щетки не ставил, так как генератор  неоднократно ремонтировался, уже и корпус треснул, поэтому сразу поставил новый генератор СТАРВОЛЬТ на 130 А,  на коробке написано для Сенса, Таврии и Славуты.

Посилання на коментар
https://lanos.com.ua/topic/91163-gorit-lampa-akb/#findComment-2044556
Поділитись на інші сайти

Vlad_cache напиши пожалуйста подробнеее, что ты сделал

Посилання на коментар
https://lanos.com.ua/topic/91163-gorit-lampa-akb/#findComment-2044561
Поділитись на інші сайти

Vlad_cache напиши пожалуйста подробнеее, что ты сделал

масу кинул отдельно... 

Посилання на коментар
https://lanos.com.ua/topic/91163-gorit-lampa-akb/#findComment-2044587
Поділитись на інші сайти

@Skif99, с правой стороны ( по ходу движения авто) в моторном отсеке есть черная пластиковая коробка. Там два реле: главное реле и реле коммутации лампы заряда.

После включения зажигания на реле подается плюс, второй контакт этого реле подключен к генератору на реле регулятор. пока машина не заведена, там должен быть общий. Но общий идет не напрямую к корпусу, а через элементы регулятора напряжения. Когда машина заведена, то на этом контакте появляется +14В и реле лампы обесточивается.

Когда срабатывает реле, оно включает лампу индикации отсутствия заряда. Лампа скоммутирована параллельно реле. Включаем зажигание, срабатывает реле, включается лампа; ток, проходящий через реле падает и из-за реле выключается. Контакты реле размыкаются, выключается лампа и снова ток на реле возрастает, что заставляет его включится. Из-за происходит зумерение реле.

На реле заряда есть перемычка между 85 и 87 контактом. Один конец перемычки снять и заизолировать. На 87 контакт одеть кусок провода с клеммой и бросить его на общий. Можно прикрутить к болту, которым крепится держатель реле. 

post-1459-0-07322100-1417297161.jpg

Посилання на коментар
https://lanos.com.ua/topic/91163-gorit-lampa-akb/#findComment-2044679
Поділитись на інші сайти

  • 8 місяців потому...

Всем доброго времени суток. Итак нарисовалась проблема, уже более двух недель с ней катаюсь но вот теперь начала конкретно она глаза мозолить.

 

Ситуация такая, бывает что когда завел машину - не гаснет лампа АКБ на панели(горит тускло, а не ярко), проблема уходит как только дам газку, т.е. как только генератор начинает работать на повышеных оборотах. Раньше  оно лечилось тем что прогазовал разок другой и лампа гаснет и все ок катаюсь. При этом всем заводится машина нормально.

 

Но вот сегодня ехав ночью накатом я снова увидел что лампа горела тускло, опять же все вылечивается  прогазовкой, но  сегодня она не погасла с первого раза, т.е. прогазовал, и она опять загорелась, и так раза 3, только потом погасла все таки.

Вопрос собственно в чем может быть? АКБ гайки? или смотреть на гену?

 

По состоянию гены: два года назад меняли щетки и "шоколадку" диодный мост сказали что целый.

 

По состоянию АКБ: Стоял при покупке авто(покупал б/у машину ессна). Пару раз садил его, но не сказать что в ноль, меня прикуривали и ездил он дальше нормально. Этим летом забыл выключить музыку 1 раз в магнитоле вечером, с утра обнаружил это, но завелась машина нормально, потом опять же в дороге акум зарядился и все ок было, до этого времени.

Посилання на коментар
https://lanos.com.ua/topic/91163-gorit-lampa-akb/#findComment-2116032
Поділитись на інші сайти

проверь контакт на тонком проводе, идущим к генератору. И есть ли там плюс при включенном зажигании.

Посилання на коментар
https://lanos.com.ua/topic/91163-gorit-lampa-akb/#findComment-2116033
Поділитись на інші сайти

@plmo, варианта 2:

1. Реле регулятор - нужно измерить напряжение на клемах акума когда авто заведено и после прогазовки.

2. Как уже сказали - проверить контакт ламы - это лампа на приборке дает плюс на генератор - так называемая цепь возбуждения. Посмотрите тонкий проводок на генератор.

Змінено користувачем james
Посилання на коментар
https://lanos.com.ua/topic/91163-gorit-lampa-akb/#findComment-2116046
Поділитись на інші сайти

@james,

1. Сегодня проверю напряжение, правда тестер дешевый китайский , будет погрешность выдавать 100%, или там такие значения что та погрешность ничего не значит? Сколько должно быть нормальное напряжение если что?

2. Он еще с разъемом в конце, да? ну разъем втыкается в генератор 

Посилання на коментар
https://lanos.com.ua/topic/91163-gorit-lampa-akb/#findComment-2116098
Поділитись на інші сайти

1. Напряжение на АКБ при не заведеном двигателе - 12,16В

Напряжение сразу после запуска двигателя - 11,78В(лампа тускло горит на приборе)

Напряжение после прогазовки - 14,37В(лампа потухла и не загорается)

2. Контакт проверил, подергал провод результата такой же, сегодня замеряю есть ли плюс на проводе

Посилання на коментар
https://lanos.com.ua/topic/91163-gorit-lampa-akb/#findComment-2116237
Поділитись на інші сайти

1. Генератор работает, но сам нестартует без прогазовки, т.к. тот провод нужен для самовозбуждения генератора. иначе он заработает только при прогазовке. также через него работает контрольная лампа генератора

Посилання на коментар
https://lanos.com.ua/topic/91163-gorit-lampa-akb/#findComment-2116243
Поділитись на інші сайти

@b0risfen, Плюс при включеном зажигании на проводе возбуждения обмотки есть.. Заметил еще такой прикол, когда шевелю разъемы(те что в правом углу капота возле лобового(по ходу движения авто) то вообще при включении зажигания даже контрольная лампа АКБ не горит, но опять же, когда завел прогазовал то при следующем пуске двигателя все ок стает. Короче теперь у меня регулярно при запуске двигателя заограется лампа АКБ на приборке, чую что это не к добру. Как можно еще продиагностировать все там?

Посилання на коментар
https://lanos.com.ua/topic/91163-gorit-lampa-akb/#findComment-2116946
Поділитись на інші сайти

Проверяй разьемы. Рассоедини и попшикай их ведехой. Может помочь. Если нет то пробовать отдельно после запуска двигателя и горящей лампе дать +12 на маленькую клемму генератора и посмотреть как он себя поведет.

Посилання на коментар
https://lanos.com.ua/topic/91163-gorit-lampa-akb/#findComment-2116997
Поділитись на інші сайти

@b0risfen,ставлю на подгоревшие (изношенные) щетки регулятора напряжения.Контрольная лампа вполнакала об этом и сигнализирует,(слабый контакт накал еле-еле),да и замедленное возбуждение,которое прогрессирует говорит об этом.Скоро перестанет возбуждаться совсем.

Вообщем снимай,смотри.Подергай (без фанатизма) за щетки,возможен и обрыв их. 

Посилання на коментар
https://lanos.com.ua/topic/91163-gorit-lampa-akb/#findComment-2116998
Поділитись на інші сайти

Не исключено. Поэтому я предлагаю подать проверенный плюс для возбуждения гены, дабы исключить проблемы с проводкой и гену зря не снимать.

Посилання на коментар
https://lanos.com.ua/topic/91163-gorit-lampa-akb/#findComment-2117000
Поділитись на інші сайти

А,что у Ланоса для этого нужно гену снимать?Я простой Сенсовод об этом не знал,у нас просто два болтика открутить..

Кстати подача плюса ничем в диагностике не поможет.Лампа об этом говорит больше-плохой контакт (высокое сопротивление) в цепи возбуждения...и единственным изнашиваемым элементом там щетки..

Змінено користувачем Dueller63
Посилання на коментар
https://lanos.com.ua/topic/91163-gorit-lampa-akb/#findComment-2117001
Поділитись на інші сайти

  • 3 місяця потому...
@Vlad_cache, А можна фото этих реле, а то у меня их три стоит и не понятно кто и за что отвечает.
Посилання на коментар
https://lanos.com.ua/topic/91163-gorit-lampa-akb/#findComment-2140207
Поділитись на інші сайти

Після запуску, коли "Напряжение сразу после запуска двигателя - 11,78В(лампа тускло горит на приборе)", подати на контакт збудження на генераторі (тонкий провід) прямий +. Повинно змінитись зразу ж на "Напряжение после прогазовки - 14,37В(лампа потухла и не загорается)". Звісно, робити без прогазовки. Якщо все так, то з генератором все Ок, а НЕконтакт в ланцюжку: тонкий провід-реле зарядки (якщо є, бо не у всіх воно є)-проводка до + від замка запалювання. Якщо шевеління проводки біля чорної коробочки справа по ходу, то там і НЕконтакт. Там головне реле і реле зарядки (у мене, наприклад, там лише головне реле). Якщо на НЕзаведеному, але з увімкненим запалюванням через потужну лампочку (наприклад, з фари) з’єднати тонкий провід (попередньо вийнявши з генратора) з масою, то лампочка на приборці повинна яскраво засвітитись. Якщо ні, то див. про причину вище.

Посилання на коментар
https://lanos.com.ua/topic/91163-gorit-lampa-akb/#findComment-2140336
Поділитись на інші сайти

Дякую вам за роз'яснення. В мене після запуску 14,1 - 14,3 В, але лампа тускло горить. В мене реле зарядки не має. При непрацюючому двигуні лампа світить нормально. І навантаження генератор тримає відносно нормально. При русі автомобіля, в залежності від навантаження га генератор напруга перебуває в межах 14,3 - 13,9 В, це по цифровому китайському вольтметру, Різниця в показах вольтметра і що показує комп. в режимі діагностики с

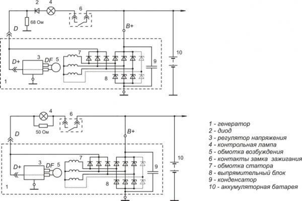
становить 0,2 - 0,3 В. в мене є припущення, що свічення лампи пов'язане зі схемою включення в схему живлення обмотки збудження генератора. Я поставив панель з тахометром корейського виробництва, а в мене була звичайна панель приладів, не знаю чия, але 2011 р.в.. При перегляді продукції ВТН я побачив дві схеми включення лампи, на своїй панелі приладів я бачу тільки діод, але виникає питання де опір, на одній із схем 50 Ом, а на іншій 68 Ом.

І на закінчення якщо буду мати трішки більше вільного часу то поставлю назад свою стару панель, подивлюся на те як буде вести себе лампа роботи генератора.

post-63631-0-27154800-1479919752_thumb.j

Посилання на коментар
https://lanos.com.ua/topic/91163-gorit-lampa-akb/#findComment-2140465
Поділитись на інші сайти

Для публікації повідомлень створіть обліковий запис або авторизуйтесь

Ви повинні бути користувачем, щоб залишити коментар

Створити обліковий запис

Зареєструйте новий обліковий запис у нашій спільноті. Це дуже просто!

Реєстрація нового користувача

Увійти

Вже є акаунт? Увійти до системи.

Увійти
×
×
  • Створити...

Важлива інформація

Ми розмістили cookie-файлы на ваш пристрій, щоб допомогти зробити цей сайт кращим. Ви можете змінити налаштування cookie-файлів, або продовжити без зміни налаштувань.