Перейти до змісту

Климат контроль своими руками


Рекомендовані повідомлення

1. Экран для вывода t и все.

2. Кнопка для переключения между датчиками t. (как вариант, для контроля и настройки)

3. Отдельные кнопки на подачу воздуха ноги/тело/стекло.(при нажатии, заслонка открывается на 100%)

3.1. При желании мона сделать каждую кнопку на 3-и положения 0%/АВТО/100%

4. Плавное регулирование оборотов вентилятора.

5. Режим автомат(По сути, смысл климат контроля)

5.1. При нагреве: 50% воздуха на ноги; 30% на тело; 20% на лобовое.

5.2. При охлаждении: 0% на ноги; 30% на тело; 50% на лобовое.

5.3. Обороты вентилятора задаются от разницы температуры текущая/заданная. В диапазоне 10-20(для поддержания температуры) и до МАХ(при разнице темп-ры свыше 40-50градусов).

5.4. Выравнивание темп-ры за счет плавного хода заслонки hot/cold

8-) 8-) :wink:

Эт я еще не рассматривал варианты:

1. На улице ливень, оч. влажно, возможно запотевание....

2. Зима, утро, -25 по Цельсию, движок нагреется минут через 7-10, сразу греть салон на 100% не вариант, т.к. прогрев движка увеличится до 15-20мин., а то и дольше... Да и движок, спасибо за такое не скажет.

3. Возможны проблемы переключения заслонок при вентилятор на 50-100%% (такое есть в механике)

А то как-то такой вариант уже немного наскучил. :D см. фото...

Посилання на коментар
https://lanos.com.ua/topic/36339-klimat-kontrol-svoimi-rukami/page/3/#findComment-1334194
Поділитись на інші сайти

Цікаво, ТС диплом здав, чи завалив??? Шось не видно завершеного девайсу :( Мать таким завалив :verysad:

Посилання на коментар
https://lanos.com.ua/topic/36339-klimat-kontrol-svoimi-rukami/page/3/#findComment-1340949
Поділитись на інші сайти

  • 3 тижня потому...

:rolleyes: сдал на другую тему.

А вот климат контроль ставить надо с лачетти. Он почтиподходит! Кулибничать не стоит

Посилання на коментар
https://lanos.com.ua/topic/36339-klimat-kontrol-svoimi-rukami/page/3/#findComment-1356712
Поділитись на інші сайти

  • 3 місяця потому...
  • 4 тижня потому...

А почему никто не рассматривает покупку готового модуля управления климатом от леганзы?

Будь ласка Увійдіть або Зареєструйтесь щоб побачити посилання.

Посилання на коментар
https://lanos.com.ua/topic/36339-klimat-kontrol-svoimi-rukami/page/3/#findComment-1478202
Поділитись на інші сайти

А почему никто не рассматривает покупку готового модуля управления климатом от леганзы?

Почему же, рассматривали, Но кроме этого блочка нужно куча обвязки (датчики, исполнительные механизмы) … А этот блочек – финальный аккорд всего оркестра.

Посилання на коментар
https://lanos.com.ua/topic/36339-klimat-kontrol-svoimi-rukami/page/3/#findComment-1478244
Поділитись на інші сайти

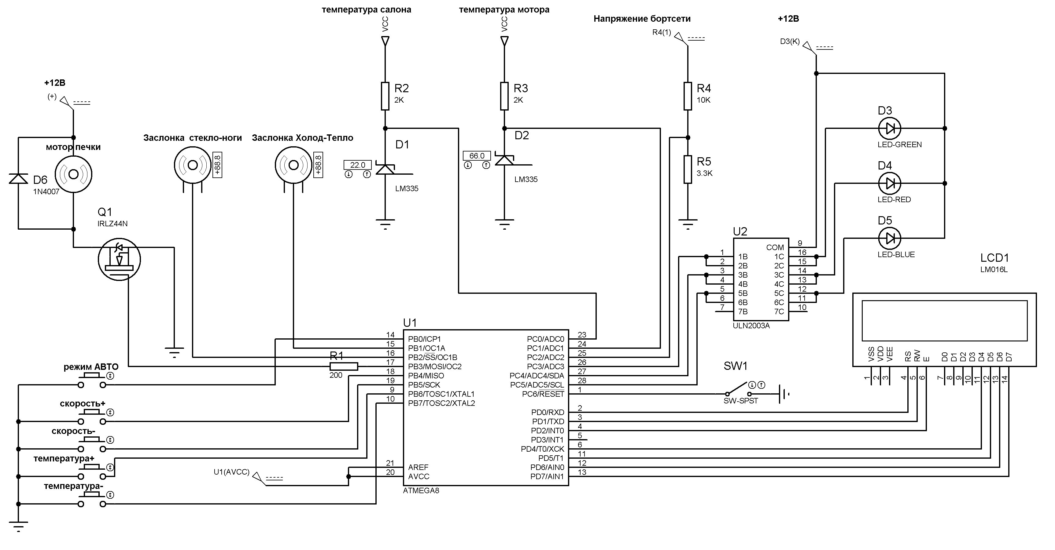
Занимаюсь разработкой климат контроля.

Мозг - Atmega8

ЖК экран 16х2

управление заслонками - модельные сервоприводы (усилие от 1 до 30 кг (при весе от 9 до 60 грамм)

Вот сайт -

Будь ласка Увійдіть або Зареєструйтесь щоб побачити посилання.

Я там буду отписываться буду по мере изготовления (да и здесь также буду писать)

На данный моммент прошивка реализована на процентов 70. Остались дополнительные алгоритмы.

post-15517-1355348820.jpg

Змінено користувачем ///pahomov///
Посилання на коментар
https://lanos.com.ua/topic/36339-klimat-kontrol-svoimi-rukami/page/3/#findComment-1480155
Поділитись на інші сайти

12,4 тис   59

Радует, что кто-то занимается. Интересно уже взглянуть на результат.

Посилання на коментар
https://lanos.com.ua/topic/36339-klimat-kontrol-svoimi-rukami/page/3/#findComment-1480188
Поділитись на інші сайти

Модель протеуса не подходит такая!

Не вижу переменных резисторов обратной связи от сервомашин, Не вижу драйверов двигателей. Да и контроллер несерьезный, недомикрочип какой то.

Посилання на коментар
https://lanos.com.ua/topic/36339-klimat-kontrol-svoimi-rukami/page/3/#findComment-1480336
Поділитись на інші сайти

Модель протеуса не подходит такая!

Не вижу переменных резисторов обратной связи от сервомашин, Не вижу драйверов двигателей. Да и контроллер несерьезный, недомикрочип какой то.

А как по Вашему, это должно вЫглядЕть - на базе АНДРУИНО.(Какой контролер лутчше, нужны ли такие мощные сервоприводы, сложно всё вывести на сенсорный дисплей?)

Посилання на коментар
https://lanos.com.ua/topic/36339-klimat-kontrol-svoimi-rukami/page/3/#findComment-1480438
Поділитись на інші сайти

Модель протеуса не подходит такая!

Не вижу переменных резисторов обратной связи от сервомашин, Не вижу драйверов двигателей. Да и контроллер несерьезный, недомикрочип какой то.

Вообще то обратной свзяи у сервопривода нет. Так что про недочип попрошу не выражаться, и почитать про сервы лучше.

Посилання на коментар
https://lanos.com.ua/topic/36339-klimat-kontrol-svoimi-rukami/page/3/#findComment-1480487
Поділитись на інші сайти

Уверен?

На твоем месте я бы немного покурил чуток инета , ну и парочку бумажных описаний по данной тематике. Так хотя бы для самообразования.

А подстроечник в редукторе сервомашины как ты думаеш зачем ставится? Для красоты?

Чтобы определить начальный угол поворота привода сервомеханизма и ставят резисторы в о.с. Таким образом контроллер определяет не только крайние точки положение рычага привода но и его текущее положение.

Основы автоэлектроники, и не больше. :)

Посилання на коментар
https://lanos.com.ua/topic/36339-klimat-kontrol-svoimi-rukami/page/3/#findComment-1480503
Поділитись на інші сайти

Уверен?

На твоем месте я бы немного покурил чуток инета , ну и парочку бумажных описаний по данной тематике. Так хотя бы для самообразования.

А подстроечник в редукторе сервомашины как ты думаеш зачем ставится? Для красоты?

Чтобы определить начальный угол поворота привода сервомеханизма и ставят резисторы в о.с. Таким образом контроллер определяет не только крайние точки положение рычага привода но и его текущее положение.

Основы автоэлектроники, и не больше. :)

То что ты написал - всё и так расположено в сервомашинке и ничего выдумывать не нужно. Она сама знает крайние положения и на большее не отклонится. Твоя задача только диктовать угол на который должна повернуться серва. А подключается она тремя проводами - плюс,минус,сигнал.

Будь ласка Увійдіть або Зареєструйтесь щоб побачити посилання.

Вот - читаем ....

Посилання на коментар
https://lanos.com.ua/topic/36339-klimat-kontrol-svoimi-rukami/page/3/#findComment-1480812
Поділитись на інші сайти

  • 2 місяця потому...

Флуда много а по теме ничего. Нет ни одного работающего прототипа. ///pahomov/// сайт ваш толком не работает. Так что никакой конкретики.

Посилання на коментар
https://lanos.com.ua/topic/36339-klimat-kontrol-svoimi-rukami/page/3/#findComment-1546727
Поділитись на інші сайти

  • 2 тижня потому...

Походу тема заглохла.

А так хотелось немного комфорта, а лето ведь не загорами.

Мож всетаки расшевелим ,совмесными усилиями?

Посилання на коментар
https://lanos.com.ua/topic/36339-klimat-kontrol-svoimi-rukami/page/3/#findComment-1556813
Поділитись на інші сайти

Ну как вариант попроще (сам думаю себе так сделать)

Будь ласка Увійдіть або Зареєструйтесь щоб побачити посилання.

а на кнопку кондея я и сам нажму когда надо.

Посилання на коментар
https://lanos.com.ua/topic/36339-klimat-kontrol-svoimi-rukami/page/3/#findComment-1560792
Поділитись на інші сайти

12,4 тис   59

Ну как вариант попроще (сам думаю себе так сделать)

Будь ласка Увійдіть або Зареєструйтесь щоб побачити посилання.

а на кнопку кондея я и сам нажму когда надо.

Это недо климат контроль. Просто автоматическая печка.

Посилання на коментар
https://lanos.com.ua/topic/36339-klimat-kontrol-svoimi-rukami/page/3/#findComment-1560820
Поділитись на інші сайти

Согласен с Александром.

То , что по сцылке это разновидность моторизированного привода. В ланосе - сенсе такое можно реализовать более гуманным методом. Но зачем? Можно в качестве донора использовать сервоприводы от ласетти, но смысл то климат контроля не в том.

Посилання на коментар
https://lanos.com.ua/topic/36339-klimat-kontrol-svoimi-rukami/page/3/#findComment-1560831
Поділитись на інші сайти

В моем понятии климат для ланоса - это чисто электроника с температурными датчиками... При этом печка всегда закрыта. Вентилятор всегда включен. Управление идет только через кнопку включения/выключения кондера.

Выставляем температурку.

Нагрелся салон - пошел сигнал на кнопку включить кондер.

Охладился салон - пошел сигнал на кнопку выключить кондер.

и т.д. по кругу...

Посилання на коментар
https://lanos.com.ua/topic/36339-klimat-kontrol-svoimi-rukami/page/3/#findComment-1560836
Поділитись на інші сайти

12,4 тис   59

В моем понятии климат для ланоса - это чисто электроника с температурными датчиками... При этом печка всегда закрыта. Вентилятор всегда включен. Управление идет только через кнопку включения/выключения кондера.

Выставляем температурку.

Нагрелся салон - пошел сигнал на кнопку включить кондер.

Охладился салон - пошел сигнал на кнопку выключить кондер.

и т.д. по кругу...

В таком режиме долго кондер не проживет. На авто с климат-контролем компрессор включен летом постоянно. Да и управление заслонками для автоматического рапределения направления потоков воздуха должно быть.

Посилання на коментар
https://lanos.com.ua/topic/36339-klimat-kontrol-svoimi-rukami/page/3/#findComment-1560868
Поділитись на інші сайти

Не совсем так.

Только датчик температуры это далеко не все. Еще есть датчик качества воздуха ( в нормальном , не корейско - японском понимании) это измеритель абсолютной влажности. Да и сам КК просто автоматичекски потдерживает заданную блоком управления температуру. Причем не важно Т выше или ниже забортной. Там решение по включению кондиционера принимает отдельный мозг, который в свою очередь следит за заслонками 2 - если раздельный) тепло - холодно и компрессором кондиционера. Направление обдува остается за выбором водителя, если конечно салон не в режиме проветривания.

Посилання на коментар
https://lanos.com.ua/topic/36339-klimat-kontrol-svoimi-rukami/page/3/#findComment-1560903
Поділитись на інші сайти

В таком режиме долго кондер не проживет. На авто с климат-контролем компрессор включен летом постоянно.

1. Даже на Ланосе есть режим когда при ускорении кондер отключается для увеличения мощи двигателя...

2. Где то уже была подобная тема с управлением кондером, а не заслонками.

3. Чтобы точно ответить на этот вопрос - надо минимум иметь кондер и проэкспериментировать.

4. По логике моего понимания работы кондера - частые включения/выключения ему сильно вредить не будут...

5. На хюндай Соната - кондер так и работает. Парвда выплывает один глюк: он сначала остужает салон, становится холодно, потом выключается, становится жарко и т.д. по кругу. Нет равномерности работы...

Посилання на коментар
https://lanos.com.ua/topic/36339-klimat-kontrol-svoimi-rukami/page/3/#findComment-1560953
Поділитись на інші сайти

12,4 тис   59

... Еще есть датчик качества воздуха ( в нормальном , не корейско - японском понимании) это измеритель абсолютной влажности.

Не совсем так. Датчик влажности и внутренней температуры есть, но это не датчик качества воздуха. Датчика качества воздуха стоит под капотом перед радиатором, анализируя поступающий воздух в салон. Если он сильно загазован, то автоматически климат закрывает доступ воздуха в салон, переходя на рецеркуляцию, после того как загазованности не будет, климат включит забор внешнего воздуха.

... Направление обдува остается за выбором водителя, если конечно салон не в режиме проветривания.

В режиме "АВТО" направление обдува остается за климатом, он по своему усмотрению переключет его. Например, если он решит, по датчику влажности, что нужно осушить лобовое стекло, он включает кодниционер и направляет поток воздуха на лобовое стекло. Если он решит, что нужно подогревать воздух в салоне он переключает поток в ноги, и при охлаждении - вверх.

1. Даже на Ланосе есть режим когда при ускорении кондер отключается для увеличения мощи двигателя...

Это есть на многих авто. Но это не говорит о том, что компрессору после этого хорошо. Дело в том, что в мануалах пишут рекомендации по включению кондиционера на холостых оборотах, дабы не было сильной нагрузки на подшипник и муфту компрессора в момент включения муфты, из-за большой разнизы в оборотах двигателя и шкива компрессора.

2. Где то уже была подобная тема с управлением кондером, а не заслонками.

Может на старых авто так и было, не отрицаю, новых не встречал.

3. Чтобы точно ответить на этот вопрос - надо минимум иметь кондер и проэкспериментировать.

Ответить на что? На то, что компрессор при открытой дроссельной заслонке выключается? Это известно.

4. По логике моего понимания работы кондера - частые включения/выключения ему сильно вредить не будут...

Как раз наоборот.

5. На хюндай Соната - кондер так и работает. Парвда выплывает один глюк: он сначала остужает салон, становится холодно, потом выключается, становится жарко и т.д. по кругу. Нет равномерности работы...

На Сонате он так работать не должен. Если там стоит кондиционер, он должнен работать до тех пор, пока его не отключат кнопкой А/С или пока не выключат вентилятор. Если авто оборудован климатом, то принцип его работы такой как и всех корейцев. Для поддержания заданной температуры он не включает/выключает кондиционер постоянно. Принцип работы зависит от забортной температуры. Но допустим, за бортом "+35" в салоне устанавливаем "+24" и нажимаем "АВТО". Сначала климат переходит на режим рецеркуляции, обороты вентилятора включатся на максимум. Климат старается как можно быстрее остудить салон. С падением внутренней температуры обороты вентилятора падают, включается забор внешнего воздуха, может ходить заслонка подачи теплого воздуха, для более комфортной подачи потока, путём подмешивания теплого воздуха к холодному. И на всём протяжении езды при заданных выше условиях компрессор не отключается. Температура, скорость и направление потока регулируется климатом, поэтому и нет ощущения "то холодно то жарко"! В этом и есть плюс климат-контроля. Компрессор климат, при заданных условиях выключит только тогда, когда достаточно сильно упадёт забортная температура. Если она будет примерно равна внутренней, могут быть включения/выключения компрессора, но, опять же холодно-жарко не будет. Так как делает он всё плавно и не заметно для водителя. При условии исправности климат-контроля и нормальной работы системы кондиционирования.

Посилання на коментар
https://lanos.com.ua/topic/36339-klimat-kontrol-svoimi-rukami/page/3/#findComment-1560996
Поділитись на інші сайти

На Сонате он так работать не должен. Если там стоит кондиционер,

Александр.

А вы встречали сонату без кондиционера? Это ведь класс камри уже. :)

Посилання на коментар
https://lanos.com.ua/topic/36339-klimat-kontrol-svoimi-rukami/page/3/#findComment-1561003
Поділитись на інші сайти

12,4 тис   59

А вы встречали сонату без кондиционера? Это ведь класс камри уже. :)

Я имею ввиду то, что на машине может быть просто кондиционер, а может быть климат в комплектации.

Посилання на коментар
https://lanos.com.ua/topic/36339-klimat-kontrol-svoimi-rukami/page/3/#findComment-1561008
Поділитись на інші сайти

Гість
Ця тема закрита для опублікування відповідей.
×
×
  • Створити...

Важлива інформація

Ми розмістили cookie-файлы на ваш пристрій, щоб допомогти зробити цей сайт кращим. Ви можете змінити налаштування cookie-файлів, або продовжити без зміни налаштувань.