Перейти до змісту

Проблема пропадает чек, при вкл. зажигания.


Рекомендовані повідомлення

Добрый день. 

Lanos 1.5 польский (базовая комплектация)

Может тема и была похожая (сори), но не такая.

С утра, приходишь за машиной, включаешь зажигание, загораются лампочки на табло и чек. Заводится как обычно, хорошо. Останавливаюсь, глушу мотор, выкл. зажигание. 

Повторно вкл. зажигание, чек не горит, бензонасос не шумит, ну естественно стартер крутит и не заводится. (Хоть сколько раз вкл/выкл зажигание ситуация не меняется)

Снимаем клемму с аккумулятора. Ждем несколько секунд. Ставим на место. Вкл. зажигание, чек горит, бенз. шумит, заводится.

В общем снимая и ставя клемму (-) акомы, хватает на один завод. И так повторяется.

Если постоит ночь, или несколько дней. Клему можно не снимать. Один раз заведется.

Какие мысли?  

 

ps. Массу от (-) на кузов чистил, массу на двигатель чистил. Предохранители все проверял. Реле бензонасоса само собой не причем. Колодку под пассажирским сиденьем проверял (в салоне всё сухо), даже убрал перепаяв провода. 

Посилання на коментар
https://lanos.com.ua/topic/97528-problema-propadaet-cek-pri-vkl-zaziganiya/
Поділитись на інші сайти

Перше що приходить на думку (по пам'яті) - проблема з з контактною групою замка запалювання. Саме там подається "15 клема" на ЄБК, форсунки та бензонасос.

Скидання клеми - може просто співпадіння... 

Хоча можливо проблема з реле ЭБК або "головним реле" (або його контактами) - номер 2:
image.png

Посилання на коментар
https://lanos.com.ua/topic/97528-problema-propadaet-cek-pri-vkl-zaziganiya/#findComment-2267706
Поділитись на інші сайти

Машина только на бензине. Ситуация повторяется уже в течение недели, всегда одинаково. Одно снятие клемы один запуск. Думаю ЭБУ сбрасывается и один раз заводит. Потом ему что-то не нравится.Да, ещё это произошло после того как машина простояла 3 месяца без аккумулятора. Я конечно замок проверю. Но, ситуация стабильно одинаково повторяется. Можно даже не заводить, просто включить зажигание, чек горит, выключить и включить , чек уже не горит. Даже не заводя мотор. На днях считаю ошибки, отпишусь.

 

Посилання на коментар
https://lanos.com.ua/topic/97528-problema-propadaet-cek-pri-vkl-zaziganiya/#findComment-2267707
Поділитись на інші сайти

9 хвилин тому, yuryhor сказав:

Можно даже не заводить, просто включить зажигание, чек горит, выключить и включить , чек уже не горит.

Це як раз вказує на проблему з контактом в контактній групі замка. 

Помилки ви не побачите через діагностику (у всякому разі пов'язані з цією проблемою).

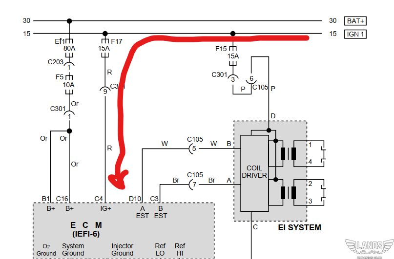
Ось Вам трошки схем. Все що Ви описуєте (ЕБК, форсунки та топливний насос) працює від від контакту замка запалення.
 

Прихований текст

image.png

image.png

image.png

 

Посилання на коментар
https://lanos.com.ua/topic/97528-problema-propadaet-cek-pri-vkl-zaziganiya/#findComment-2267708
Поділитись на інші сайти

Для публікації повідомлень створіть обліковий запис або авторизуйтесь

Ви повинні бути користувачем, щоб залишити коментар

Створити обліковий запис

Зареєструйте новий обліковий запис у нашій спільноті. Це дуже просто!

Реєстрація нового користувача

Увійти

Вже є акаунт? Увійти до системи.

Увійти
×
×
  • Створити...

Важлива інформація

Ми розмістили cookie-файлы на ваш пристрій, щоб допомогти зробити цей сайт кращим. Ви можете змінити налаштування cookie-файлів, або продовжити без зміни налаштувань.