Перейти до змісту

Индикация обогрева на приборке


Рекомендовані повідомлення

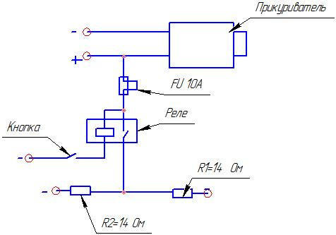
Решил подключить обогрев зеркал по такой схеме,post-41413-0-66584400-1386012965.jpg

и хочу вывести индикацию на приборку на лампу АБС или PWR,post-41413-0-29737600-1386012964_thumb.j помогите реализовать!!!Как правильно подключить провод к лампе? какая колодка у ноги отвечает за минус лампы АБС (PWR)?
 

Посилання на коментар
https://lanos.com.ua/topic/80927-indikatsiya-obogreva-na-priborke/
Поділитись на інші сайти

Ну так у тебя ведь лампа пвр занята под индикацию ближнего, а абс с таким включением не подходит т.. управляется минусом

Посилання на коментар
https://lanos.com.ua/topic/80927-indikatsiya-obogreva-na-priborke/#findComment-1692707
Поділитись на інші сайти

Сорри, картинка не правильная! лампа PWR у меня не задействована. Авто сенс приборка польская

Змінено користувачем maks1204
Посилання на коментар
https://lanos.com.ua/topic/80927-indikatsiya-obogreva-na-priborke/#findComment-1692715
Поділитись на інші сайти

ПВР в некоторых версиях приборки обозначают именно вкл. ближнего света! Ты путаешь.

Посилання на коментар
https://lanos.com.ua/topic/80927-indikatsiya-obogreva-na-priborke/#findComment-1692724
Поділитись на інші сайти

В моем варианте  PWR не задействована. А для индикации ближнего отдельная лампа в правом углу

med_gallery_13656_1979_131420.jpg

 

Вот кстати у вас такая картинка есть

Змінено користувачем maks1204
Посилання на коментар
https://lanos.com.ua/topic/80927-indikatsiya-obogreva-na-priborke/#findComment-1692734
Поділитись на інші сайти

Ну все верно, зеленый фонарик с прямыми лучами, это и есть ближний и он еще может обозначаться как пвр ( желтые буквы)

Посилання на коментар
https://lanos.com.ua/topic/80927-indikatsiya-obogreva-na-priborke/#findComment-1692743
Поділитись на інші сайти

Не доглядел! а если переделать схему подключения, дабы задействовать лампу АБС.

PS Сильно не пинайте я пока учусь....)

Посилання на коментар
https://lanos.com.ua/topic/80927-indikatsiya-obogreva-na-priborke/#findComment-1692752
Поділитись на інші сайти

На АБС нужно менять полярность включения подогревов.

Посилання на коментар
https://lanos.com.ua/topic/80927-indikatsiya-obogreva-na-priborke/#findComment-1692793
Поділитись на інші сайти

Можна зразу ж після кнопки подати на лампу абс, так вона буде світити але тоді правильніше буде другий кінець обмотки реле підє'днати до ign а не до плюса прикурювачаа силоову частину залишити так як є, тоді при виключенні запалювання і обігрів виключиться , так як і задній обігрів виключається  

Посилання на коментар
https://lanos.com.ua/topic/80927-indikatsiya-obogreva-na-priborke/#findComment-1692811
Поділитись на інші сайти

Igor_wolf Спасибо за подсказку! Тогда назревает вопрос, где в ногах найти провод от лампы АБС? ато не охото  снимать приборку! 

Посилання на коментар
https://lanos.com.ua/topic/80927-indikatsiya-obogreva-na-priborke/#findComment-1693023
Поділитись на інші сайти

Igor_wolf Спасибо за подсказку! Тогда назревает вопрос, где в ногах найти провод от лампы АБС? ато не охото  снимать приборку! 

  

   Если машина с завода  без АБС , то этого провода, равно как и клеммы в разъеме приборной, панели может не быть .

  По схеме- С210/9

   http://avtolektron.ru/upravlyaemye-ustrojstva/shema-shevrole-lanos/attachment/soedinenie-kombinatsii-priborov-4

Змінено користувачем WerW0LF
Посилання на коментар
https://lanos.com.ua/topic/80927-indikatsiya-obogreva-na-priborke/#findComment-1693096
Поділитись на інші сайти

В мене провід був але другу його сторону я не знайшов, тож відрізав і припаяв свій провід в розємі приборки.

Посилання на коментар
https://lanos.com.ua/topic/80927-indikatsiya-obogreva-na-priborke/#findComment-1693236
Поділитись на інші сайти

Гість
Ця тема закрита для опублікування відповідей.
×
×
  • Створити...

Важлива інформація

Ми розмістили cookie-файлы на ваш пристрій, щоб допомогти зробити цей сайт кращим. Ви можете змінити налаштування cookie-файлів, або продовжити без зміни налаштувань.