Перейти до змісту

Рекомендовані повідомлення

Только что ехал на работу, ну и обфафакал лося выезжающего со второстипенки, потом нужно было нажать на сигнал, а в ответ тишина, что за на. Поменял предохранитель под капотом F16 10A (был целый) вынул реле "С" ну вставил назад, толку "0". Так как свой тестер спалил, то блин даже не знаю где рыть.

Други, подскажите где и что, и куда рыть.

Посилання на коментар
https://lanos.com.ua/topic/62753-byl-signal-i-net-signala/
Поділитись на інші сайти

На самом руле контактную кнопку посмотри. У меня руль с подушкой, то постоянно одна кнопка не работает, пропадает контакт на самой кнопке.

Змінено користувачем vidoq
Посилання на коментар
https://lanos.com.ua/topic/62753-byl-signal-i-net-signala/#findComment-1310964
Поділитись на інші сайти

Таки руль с подушкой, кнопки обе не работают.

Посилання на коментар
https://lanos.com.ua/topic/62753-byl-signal-i-net-signala/#findComment-1310975
Поділитись на інші сайти

Тем на эту "тему" было много (если не поленюсь, подыщу), для начала укажите тип руля две/четыре спицы!

Посилання на коментар
https://lanos.com.ua/topic/62753-byl-signal-i-net-signala/#findComment-1310984
Поділитись на інші сайти

ну с подушкой, четыре спицы, чего сразу руль, может где еще стоит предохранитель, кроме как подкапотное. И еще, может реле навернулось. Хотя все эти гадания на кофейной гуще. Нужен тестер, прийдется покупать, - 40 грн.

Посилання на коментар
https://lanos.com.ua/topic/62753-byl-signal-i-net-signala/#findComment-1310988
Поділитись на інші сайти

предохранитель посматри в моторном отсеке

Посилання на коментар
https://lanos.com.ua/topic/62753-byl-signal-i-net-signala/#findComment-1310990
Поділитись на інші сайти

Поменял предохранитель под капотом F16 10A (был целый)

Такие вещи меняю в первую очередь. Если он F16, то целый.

Посилання на коментар
https://lanos.com.ua/topic/62753-byl-signal-i-net-signala/#findComment-1310993
Поділитись на інші сайти

Када нажимаешь кпонки на руле, реле щелкает под капотом?

Посилання на коментар
https://lanos.com.ua/topic/62753-byl-signal-i-net-signala/#findComment-1311003
Поділитись на інші сайти

Вроде, не слыхал щелчка, крышка была снята с блоков предохранителей.

Посилання на коментар
https://lanos.com.ua/topic/62753-byl-signal-i-net-signala/#findComment-1311007
Поділитись на інші сайти

помоему релюха такая же как и на освещение, попробуй местами поменять

Посилання на коментар
https://lanos.com.ua/topic/62753-byl-signal-i-net-signala/#findComment-1311018
Поділитись на інші сайти

помоему релюха такая же как и на освещение, попробуй местами поменять

Имя релюхи освещения?

Посилання на коментар
https://lanos.com.ua/topic/62753-byl-signal-i-net-signala/#findComment-1311031
Поділитись на інші сайти

Будь ласка Увійдіть або Зареєструйтесь щоб побачити посилання.

смотри 22,24 реле сигнала, 23 реле главного света

Змінено користувачем vidoq
Посилання на коментар
https://lanos.com.ua/topic/62753-byl-signal-i-net-signala/#findComment-1311065
Поділитись на інші сайти

я так понял что если это реле, то не включится кондиционер? если так на обеде пройду проверю.

Что то я запутался, так какой предохранитель под капотом отвечает за звуковой сигнал? читал так там их 2, или путаю?

Змінено користувачем chili
Посилання на коментар
https://lanos.com.ua/topic/62753-byl-signal-i-net-signala/#findComment-1311093
Поділитись на інші сайти

если реле не должен включиться.

Посилання на коментар
https://lanos.com.ua/topic/62753-byl-signal-i-net-signala/#findComment-1311099
Поділитись на інші сайти

Взял в сисадмина тестер, пойду на обеде немного померяю.

Посилання на коментар
https://lanos.com.ua/topic/62753-byl-signal-i-net-signala/#findComment-1311102
Поділитись на інші сайти

ничего мерять не нужно. Релюху сигнала вытащил и коротнул перемычкой контактную группу, если забибикало подкинь другую релюху, если и после этого проблемы тогда сигнал под замену.

Посилання на коментар
https://lanos.com.ua/topic/62753-byl-signal-i-net-signala/#findComment-1311117
Поділитись на інші сайти

Ну пошел знач я в машину, первым делом включил зажигание и кондюк, все работает. Посмотрел снова книгу которая ишла с ланосом, смотрю предохранитель F16 - звуковой сигнал (отмечено синим)проверяю, все ОК, думаю не бывает чуда, дай проверю все, только вынул следующий (отмечено красный) горелый, поменял все работает. Так это шо за фигня, не соответствие книги и то что в жизни.

Будь ласка Увійдіть або Зареєструйтесь щоб побачити посилання.

Ну и самое интересное чего он сгорел, сигналы "волговские", нажал их максимум на секунд 5.

ПС. Где взять нормальные схемы, так что бы не было обмана по предохранителям и их место распололжения. распечатаю и буду возить с собой.

Змінено користувачем chili
Посилання на коментар
https://lanos.com.ua/topic/62753-byl-signal-i-net-signala/#findComment-1311176
Поділитись на інші сайти

Так с этого надо было и начинать, что сигнал у тебя не родной, может кто ставил и предохранители местами поменял...

Посилання на коментар
https://lanos.com.ua/topic/62753-byl-signal-i-net-signala/#findComment-1311223
Поділитись на інші сайти

неееее, ставил сам, в предохранители не лез вообще. просто те снял а другие поставил (ВОЛГА). Правда машину брал с рук. Но по всему виду машина была не у "рукастого" товарища.

Посилання на коментар
https://lanos.com.ua/topic/62753-byl-signal-i-net-signala/#findComment-1311258
Поділитись на інші сайти

  • 1 місяць потому...

у меня пропал звуковой сигнал на не пристегнутый ремень, не закрытые двери и соответственно не выключен свет. Подскажите как его восстановить?

Посилання на коментар
https://lanos.com.ua/topic/62753-byl-signal-i-net-signala/#findComment-1343358
Поділитись на інші сайти

  • 4 тижня потому...

дабы не плодить ещё тему, то тут задам вопросик.

такой же трабл с сигналом, не работает, менялся.

времени ковырять машинку крайне мало, поэтому сперва ищу по чуть чуть инфу, чтоб потом сразу знать куда лезть.

так вот:

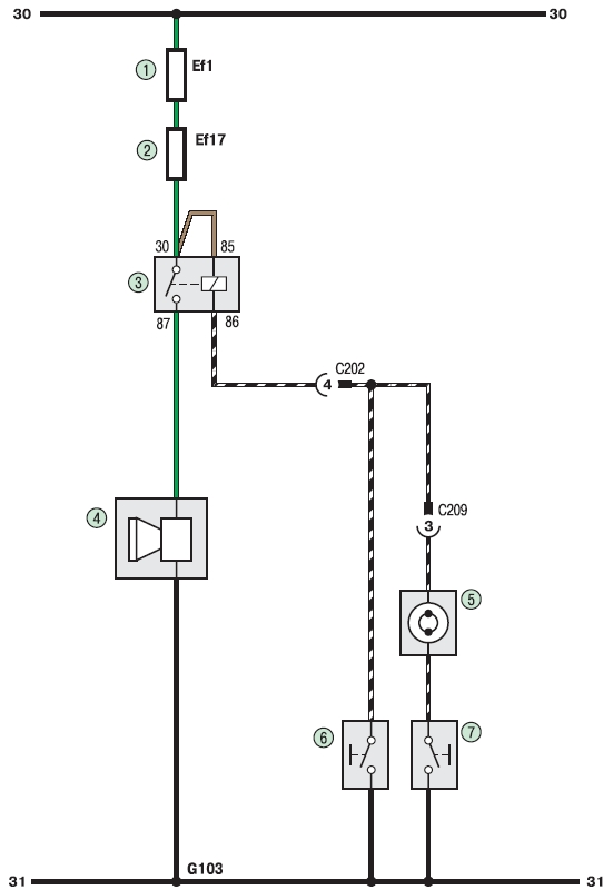
смотрю схемы тут

Будь ласка Увійдіть або Зареєструйтесь щоб побачити посилання.

по этой схеме 104.jpg

видно что плюс идет через основной и доп. предохранители и через одно реле.

начинаю искать описание предохранителей и реле.

нахожу тут 71.jpg

вот описание к этому блоку:

343_small_7.jpg

и вот тут начинаются вопросы, написано что предохранители 12 и 17 отвечают за звуковой сигнал

а так же 2 реле 22 и 24.

вот может мне кто то сказать почему по два? если нет то какие из них? заранее спасибо.

Посилання на коментар
https://lanos.com.ua/topic/62753-byl-signal-i-net-signala/#findComment-1359872
Поділитись на інші сайти

вот может мне кто то сказать почему по два? если нет то какие из них? заранее спасибо.

это не по два, а указано возможное местоположение реле сигнала для разных комплектаций... у меня поляк , на крышке написано ХОРН - там оно и есть...

Посилання на коментар
https://lanos.com.ua/topic/62753-byl-signal-i-net-signala/#findComment-1359969
Поділитись на інші сайти

в общем предохранители и реле рабочие, щелкает, напряжение на сигнал идет.

обнаружил две проблемы, второй проводок почему то не прозванивается с землей, ну и сам сигнал дохлый.

на счет проводочка, он входит в жгут под сигналом, а дальше где его ловить?

Посилання на коментар
https://lanos.com.ua/topic/62753-byl-signal-i-net-signala/#findComment-1360706
Поділитись на інші сайти

  • 1 місяць потому...

Возьми в любом удобном месте массу и вот тебе твой "-" проводок.

Змінено користувачем Nikolsky
Посилання на коментар
https://lanos.com.ua/topic/62753-byl-signal-i-net-signala/#findComment-1411524
Поділитись на інші сайти

Гість
Ця тема закрита для опублікування відповідей.
×
×
  • Створити...

Важлива інформація

Ми розмістили cookie-файлы на ваш пристрій, щоб допомогти зробити цей сайт кращим. Ви можете змінити налаштування cookie-файлів, або продовжити без зміни налаштувань.