Перейти до змісту

Доработка СО Сенс.


Рекомендовані повідомлення

Не верный подход!

Дело в том, что бортовик то ведь опять опирается на показания датчика, и не позволяет контролировать действительно ли включен кулер.

Я уже продумал варианты подключения дубль - девайза в штатную систему охлаждения и получается несколько накрученная но довольно практичная система.

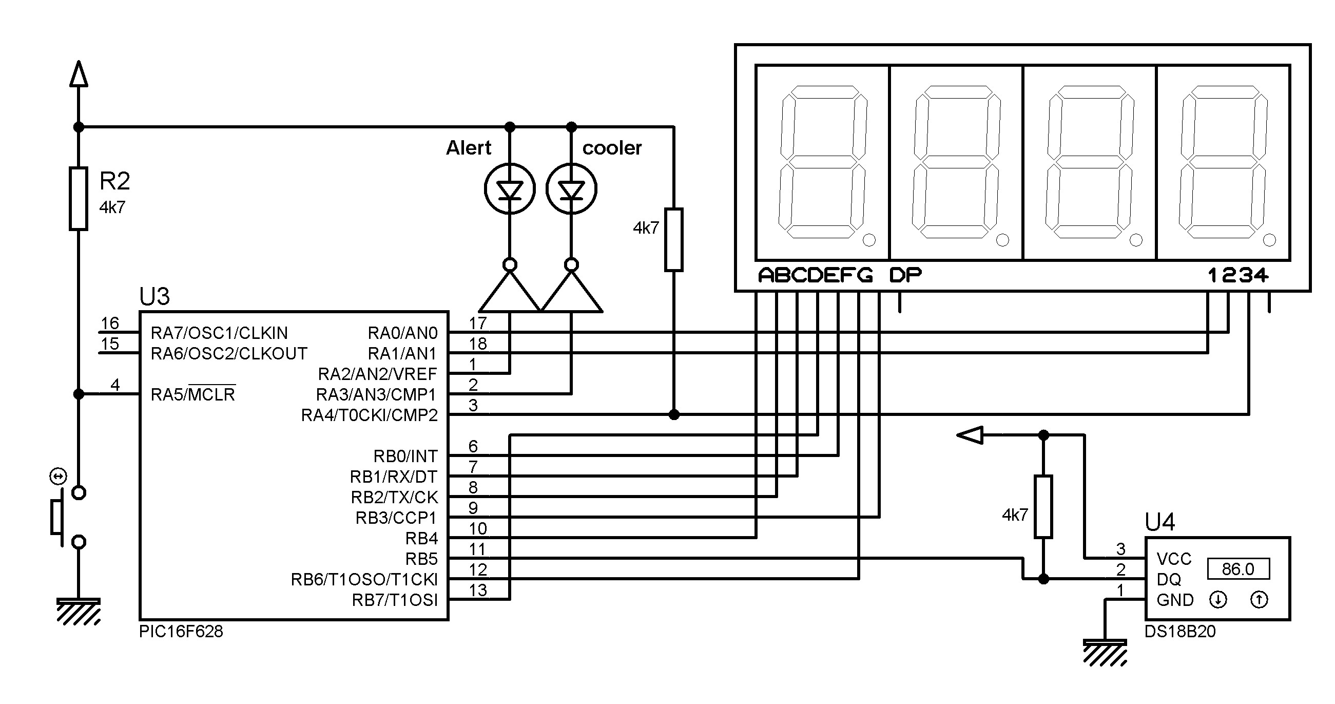
придется на шнуре с вентилятора колхозить еще одну колодку - разъем на два вывода, силовой, влагогрязезащищенный), питание на девайз будет приходить именно от него, это для того, чтобы можно было легко определить подается ли штатное питание на сам вентилятор. Естественно если реле не сработало то питание на разъеме не будет. ( только вчера такое у меня произошло). Ну и далее три провода в экране на обслуживание ДС18Б20, и один провод на управление доп. ( дублирующим) реле. сама плата индикации с контроллером в салоне, дизайн готов на 45%.

Посилання на коментар
https://lanos.com.ua/topic/62684-dorabotka-so-sens/page/2/#findComment-1314387
Поділитись на інші сайти

Вот закончил дизайн платы под дублирующий термоконтроль

будет где то так..

WDPxX.jpg

Посилання на коментар
https://lanos.com.ua/topic/62684-dorabotka-so-sens/page/2/#findComment-1315472
Поділитись на інші сайти

Вставил в разрыв шланга на печку бронзовый тройник 0.5 дюйма с двумя вкрученными ершами на 20 и датчик температуры от Ваза. Когда заглушил- продолжает работать плавно меняя обороты пока не остынет до 88 градусов. Хочу немного усовершенствовать задействовав штатный датчик температуры. Все обошлось где-то в 80грн.

Идея, смысл и полученная от этого польза то понятна.

Бюджет так же отличный.

Не понял только:

1) Зачем это делать на магистрали отопителя?

2) Что за «ерши»,? с вентиляции картера? Какова их функция?

Ерши ограничивают проток через отопитель - да летом это нормально (но недостаточно), а зимой не прохладно? Дополнительное сопротивление для протока ОЖ зимой, обычно все стараются этот проток (расход) увеличить (ред. шайбы, газель. помпы), что бы добиться максимума от отопителя )?

3) И есть вопросы по электрическому подключению, естественная циркуляция не сказывается?

100% У меня сейчас в такую жару по городу вентилятор почти постоянно работает, зато зимой тепло, на холод не жалуюсь!!!

Я бы уже над этим задумался...

Он не выкл. по той причине что ОЖ в СО двигателя не охлаждается до t С /выкл.

Это вполне может быть и нормально и объяснимо, если вы едите постоянно под горку, в груженой под завязку машине т.е. с большой нагрузкой.

Но при повседневной эксплуатации авто при простом перемещении тела в машине, это не есть "ГУД".

Как по мне то термос полностью не открывается, многие СТО по этому ориентируются - первый признак постоянно работающий карлсон.

Т.е. датчик исправно вкл. вентилятор на охлаждение, но количества жидкости прокачиваемое по большому кругу не достаточно для понижения температуры до выкл карлсона, т.к. часть жидкости проходит по малому и байпас не перекрыт полностью. Плюс еще ветка с горячей ОЖ через печку.

Да при -20С это не чем не грозит и с печкой всё объяснимо, а летом может всё печально закончится ...

Вопрос только времени и ситуации (tС окружающей, нагрузка на двигатель и т.д.)

Рабочая температура 85-95 градусов.

Оптимальная вообще до 110,на Ф1 доходит до 200

Штатная система охлаждения СЕНСА,если конечно исправна,очень даже ничего.Так то лучше направить усилия на поддержание исправности системы охлаждения.

Не знаю что да как там на Ф1, как-то не убедительно...

Будь ласка Увійдіть або Зареєструйтесь щоб побачити посилання.

пишет следующее:

Рабочая 82-95С

Допуск +103С не более 40 мин., а то капиталка к вам постучится...

Змінено користувачем Pretindent
Посилання на коментар
https://lanos.com.ua/topic/62684-dorabotka-so-sens/page/2/#findComment-1318720
Поділитись на інші сайти

К стати поставил себе крантик на печку от тавромобиля. Если честно то никакой реакции на более плавный прогрев или пониженную температуру ОЖ не заметил. По моему кран все таки это излишество. Хотя может все таки при установке моего девайза и будет какое то падение ( может на 1-2 градуса)... посмотрим.

Посилання на коментар
https://lanos.com.ua/topic/62684-dorabotka-so-sens/page/2/#findComment-1318783
Поділитись на інші сайти

Я бы уже над этим задумался...

Pretindent спасибо за полезный ликбез. :beer:

Буду смотреть за датчиком на приборке!! На выходных ездил немного отдыхать в горы, машина была полная плюс багажник, на крутом подьеме я заметил что стрелка температуры ОЖ наблизилась к 9 часам, выше не пошла, потом сразу опустилась снова на свое постоянное место.

Змінено користувачем jasonua
Посилання на коментар
https://lanos.com.ua/topic/62684-dorabotka-so-sens/page/2/#findComment-1318982
Поділитись на інші сайти

К стати поставил себе крантик на печку от тавромобиля. Если честно то никакой реакции на более плавный прогрев или пониженную температуру ОЖ не заметил. По моему кран все таки это излишество. Хотя может все таки при установке моего девайза и будет какое то падение ( может на 1-2 градуса)... посмотрим.

Игорь у вас все еще не совсем правильное понимание о роли крана. Сейчас мы постараемся разобраться что бы все было честно.

Он не коим образом и не должен и не может понизить температуру ОЖ в СО. Да и не в этом смысл всех этих стараний.

Температура в СО должна всегда находится в пределах заложенных и указанных конструкторами 82-96С. И я не пытаюсь её понизить, это скажется на расходе. Но она может подниматься до 96-103С при повышенных нагрузках, пробках и т.д. (когда начинает работать принудительное охлаждение), и я хочу чтобы у меня двигатель в этих пределах работал минимум времени.

Выделим главное - за поддержание температуры в СО отвечает термостат. И ему проще это делать когда он контролирует всю ОЖ в СО (особенно летом при повышенных температурах). Магистраль на отопитель проходит минуя термостат (смотрим на схеме СО) и по ней постоянно на прогретом двигателе вращается горячая ОЖ. Установив кран и перекрыв его, я всю ОЖ пустил на радиатор с контролем на термостате. Я убрал постоянный подмес горячей ОЖ при работе СО, пустив всю ОЖ на большой круг. На выходе из радиатора я получаю охлажденную ОЖ, и не имея подмеса горячей ОЖ проходящей через отопитель, т.е при вкл. карлсона температура в СО будет быстрее возвращаться в рабочий диапазон 96С и меньше работать на максимальных температурах.

Эксперимент который вы можете провести, так это засечь время работы вентилятора радиатора с открытым краном, а потом с закрытым. Результат я думаю будет такой: с перекрытым краном карлсон по времени будет работать меньше, ну и реже включаться.

И еще раз повторюсь кран убрали из-за возможности установки кондиционера!, ну и упрощения некоторых моментов регулирования его работы и СО в целом.

И от Вашего девайса жду и хотел бы - реальную картину по температуре в СО, плюс моментальный Алар при выходе за допустимые пределы т.е. 103С. А дальше уже дело творчества, дубль на вкл. основной/дополнительный вентилятор, смещение диапазона контроля макс. температуры 94-97С и т.д.

Ну вот примерно так...

Посилання на коментар
https://lanos.com.ua/topic/62684-dorabotka-so-sens/page/2/#findComment-1319034
Поділитись на інші сайти

Ну дак уже все это есть. Сейчас платы уже травлю. Себе и товарищу - нашему одноклубнику.

Решили остановиться на таких параметрах работы - выключение доп. реле -88 градусов, включение - по достижении 93 градусов. При 99 градусах девайз начинает пищать постоянно. При 100 так же начинают моргать цифры отображения температуры.

Так же добавлена индикации включения вентилятора ( не реле, которое им управляет а именно вентилятора). Проводку по моторному отсеку уже развел, и естественно все затянуто в салон в район блока предохранителей. В пятницу встречаемся с человеком, который уже врезал в тройники капсулы под датчики ( желтый металл). Сам девайз отображает не только положительные но и отрицательные температуры ОЖ ( актуально для зимы)

Посилання на коментар
https://lanos.com.ua/topic/62684-dorabotka-so-sens/page/2/#findComment-1319047
Поділитись на інші сайти

Вот собственно говоря скрин с протэуса ( с отлаженным софтом)

AIGHX.jpg

Посилання на коментар
https://lanos.com.ua/topic/62684-dorabotka-so-sens/page/2/#findComment-1319050
Поділитись на інші сайти

Решили остановиться на таких параметрах работы - выключение доп. реле -88 градусов, включение - по достижении 93 градусов. При 99 градусах девайз начинает пищать постоянно. При 100 так же начинают моргать цифры отображения температуры.

С аппаратной частью всё классно но с температурными показателями не вполне, они сильно занижены, и не увяжутся с механикой (термосом).

t C включ. ты хочешь зашить 93С это может быть сильно низко, термос не успеет полностью открыться и перекрыть байпас. Я бы ставил 98С ну пусть 97 и то зазор от заводской 96С выкл. очень маленький. При 95С термос может уже начать закрываться.

Так же и с t C выключ. я бы ставил на градус ниже от заводской т.е. 95С, по тем же причинам.

Если сильно занизить температуры вкл./выкл. можно получить постоянно работающий вентилятор, в принципе я не думаю что двигатель летом удастся переохладить что бы сказалось на расходе.

Аларм при 103С. или 102С.

Я мог бы точнее с этим определится, возможно даже и ваш вариант нормально прошел бы, но я на данный момент не вижу реальную Т двигателя. На предыдущей машине она держалась в пределах 82С, т.е. нижней границе диапазона регулирования.

Так же добавлена индикации включения вентилятора ( не реле, которое им управляет а именно вентилятора). Проводку по моторному отсеку уже развел, и естественно все затянуто в салон в район блока предохранителей. В пятницу встречаемся с человеком, который уже врезал в тройники капсулы под датчики ( желтый металл). Сам девайз отображает не только положительные но и отрицательные температуры ОЖ ( актуально для зимы)

Индикация это хорошо. Чтобы отображало что за бортом при утреннем пуске тоже может быть полезным.

Вот только по доп датчику вопрос. В чем проблема штатные использовать, к чему лишние расходы?

Я тройник делал исключительно под механический датчик, под электронику взял бы со штатных, или лучше из ЭБУ.

Посилання на коментар
https://lanos.com.ua/topic/62684-dorabotka-so-sens/page/2/#findComment-1319146
Поділитись на інші сайти

Буду смотреть за датчиком на приборке!! На выходных ездил немного отдыхать в горы, машина была полная плюс багажник, на крутом подьеме я заметил что стрелка температуры ОЖ наблизилась к 9 часам, выше не пошла, потом сразу опустилась снова на свое постоянное место.

На прописку я и не глянул, если горы да груженый тогда все вполне нормально и объяснимо.

А насчет датчика на приборке или точнее показометра нашего, я бы процитировал бы словами Олеся Поддеревянского - "Не вір мій синку тому підар..., конхфету ту тобі він в жо... встромить".

Если на нижних пределах всё терпимо и в норме то на верхних чепуха. И многие обычно видят вертикальную стрелку, после того как уже пар из под капота пойдет.

В принципе может и вообще достаточно сделать как на некоторых иномарках. Там показометр вообще отсутствует, в принципе польза есть. Во первых косоглазие не разовьется, нервы не щекочет и меньше информационная нагрузка.

Там просто лямпочка отказа по t С, и Аларм, и пар при этом из под капота не идет если сразу остановиться.

Такое встречал на хранцюзах, и немцах.

Но для нас это может и не подойти мы легких путей не ище и знаем что с этим делать, рукава засучили и лезем под капот, а нимци с хранцузами звонят на СТО, и ждут швидку.

Посилання на коментар
https://lanos.com.ua/topic/62684-dorabotka-so-sens/page/2/#findComment-1319183
Поділитись на інші сайти

С аппаратной частью всё классно но с температурными показателями не вполне, они сильно занижены, и не увяжутся с механикой (термосом).

t C включ. ты хочешь зашить 93С это может быть сильно низко, термос не успеет полностью открыться и перекрыть байпас. Я бы ставил 98С ну пусть 97 и то зазор от заводской 96С выкл. очень маленький. При 95С термос может уже начать закрываться.

Так же и с t C выключ. я бы ставил на градус ниже от заводской т.е. 95С, по тем же причинам.

Если сильно занизить температуры вкл./выкл. можно получить постоянно работающий вентилятор, в принципе я не думаю что двигатель летом удастся переохладить что бы сказалось на расходе.

Аларм при 103С. или 102С.

Я мог бы точнее с этим определится, возможно даже и ваш вариант нормально прошел бы, но я на данный момент не вижу реальную Т двигателя. На предыдущей машине она держалась в пределах 82С, т.е. нижней границе диапазона регулирования.

Значит вошью такие же параметры, без проблем. Уже пометил. Т выкл. 95, Т вкл. 97, аларм все таки не хочу так задирать. оставлю 100 градусов.

Индикация это хорошо. Чтобы отображало что за бортом при утреннем пуске тоже может быть полезным.

Вот только по доп датчику вопрос. В чем проблема штатные использовать, к чему лишние расходы?

Я тройник делал исключительно под механический датчик, под электронику взял бы со штатных, или лучше из ЭБУ.

По выбору датчика исходил из того, что точность у далласовских термосенсоров 0.1 градуса ( в моем варианте округленная до единицы. И еще одно неоспоримое преимущество - он цифровой. т.е. та температура, которая действует на него преобразуется датчиком и отдается по двунаправленной шине уже в цифровом виде. т.е. ошибок в показаниях температуры по определению быть не может.

Посилання на коментар
https://lanos.com.ua/topic/62684-dorabotka-so-sens/page/2/#findComment-1319381
Поділитись на інші сайти

Ну вот собственно и набитая плата контроллера

gallery_13656_1979_170548.jpg

Причем издает очень неприятный писк, реакция на температуры 99 градусов ( начало писка) моментальная. Проверял паяльником.

Теперь в пятницу буду его уже в машину устанавливать. Корпус есть уже подготовленный для устновки. Должно получиться аккуратно и эстетично. На фото температура воздуха.

Посилання на коментар
https://lanos.com.ua/topic/62684-dorabotka-so-sens/page/2/#findComment-1319886
Поділитись на інші сайти

Значит вошью такие же параметры, без проблем. Уже пометил. Т выкл. 95, Т вкл. 97, аларм все таки не хочу так задирать. оставлю 100 градусов.

Пробуй сотку но я всёж подкину еще инфы по этому поводу.

На ЗАЗе, так как и у других автопроизводителей это давно уже просчитано и обкатано годами. Потому я придерживаюсь их расчетов. Не раз убеждался там не дураки сидят, все сделано в серийных вариантах правильно и честно.

Немного физики:

Водичка при рабочем давлении (1.2) в нашей СО начинает кипеть при 110С. Тосол/Антифриз при 125С.

Потому завод и дает 103С не более 40 мин. это норма, и плохого не чего не произойдет. И зазор до кипения достаточный чтобы предпринять необходимые меры для его предотвращения.

При Аларме 99-100, из-за инерционности СО темпер. при зашитых вами вкл. 97С может успевать подниматься до 99-100, пока дойдет порция охлажденной жидкости из радиатра и начнется её понижение, т.е. Аларм может щекотать нервы (без причины на то). 2С сильно маленький зазор, потому я придерживаюсь заводских параметров и рекомендаций.

Примерно так оптимально: 94(95)-98 ну и 102(103), что бы зазор был минимум 3-4(5)С

Или как вариант по выше указанной вами ссылке. При 100 начинаем моргать, от 103С еще и мерзко и назойливо визжать.

Те параметры которые вы изначально хотели зашить, 88-93С, тоже не чего плохого но чисто для летнего варианта, зато гарантия что до 100С даже в городе и пробках темп. не поднимется, т.е. будет п пределах 82-95С реком. заводом.

А для зимы что с этим делать?

Я поставил мех. датчик 87-92С и летом его юзаю, а осень-зима просто скинул клему с него, и на заводских установках, т.к. зимой обратная задача, полученное тепло сохранять и эффективно использовать. Всё просто и надежно.

По выбору датчика исходил из того, что точность у далласовских термосенсоров 0.1 градуса ( в моем варианте округленная до единицы. И еще одно неоспоримое преимущество - он цифровой. т.е. та температура, которая действует на него преобразуется датчиком и отдается по двунаправленной шине уже в цифровом виде. т.е. ошибок в показаниях температуры по определению быть не может.

Согласен.

Плюсы в нем:

- цифра на выходе;

- не требует коллибровки;

- точность (но она зависит от кол. снимаемых и обрабатываемых разрядов);

- универсальность и ширина диапазона измерения;

Недостаток: надо как-то, и что-то мостырить, что-бы его установить на патрубок СО.

(В старый датчик? или на лейку из головы?) Как будет готово кинешь фото своего варианта.

Хорошо что темпы у вас Стакановские, Стахановские и есть первый рабочий вариант.

Но всёж если получится со временем, то проверьте "Эффект" по времени сброса темп. от установленного крана при закр. и откр. положениях.

Змінено користувачем Pretindent
Посилання на коментар
https://lanos.com.ua/topic/62684-dorabotka-so-sens/page/2/#findComment-1320053
Поділитись на інші сайти

Да это однозначно будет!

Жду товарища в пятницу, он уже вварил в тройники гайки и там немного нужно доработать сами колбы датчиков, но в любом случае уже все оговорили т.е. конструкции уже готовы. Посмотрим конечно что даст кран. Ну и прочие нюансы оговорим.

Посилання на коментар
https://lanos.com.ua/topic/62684-dorabotka-so-sens/page/2/#findComment-1320097
Поділитись на інші сайти

Вот сегодня девайз уже установлен в корпус, в пятницу буду врезать его в торпедо наверное, как вариант может и в водительскую дверь, глубина незначительная у коробки влезет легко и в дверь.

gallery_13656_1979_10150.jpg

Посилання на коментар
https://lanos.com.ua/topic/62684-dorabotka-so-sens/page/2/#findComment-1320673
Поділитись на інші сайти

to Andrey-4

Да чистый дубль за дешево. За релюхи не в курсе, не обратил внимание, машина 11 г.в.

У меня не одна из АвоЗАЗовских не потекла. Обычно начинала подклинивть и ремешок перескакивает, тогда сразу под замену.

Откуда вообще данные про повышенные температуры? Я пока увидел только утверждение что вентилятор часто включается, ну так он односкоростной, и это не удивительно. Не говоря уже о том что и работа на пониженных тоже ресурс снижает. Ну и в любом случае, повторюсь, если пробег под 300 тыс то температура явно в норме.

Скажем корректней, двигатель часто работает на предельных температурах близких к 100 гр.

А конструкторато и не знали что их движку 90 градусов лучше чем 100 или 110.

И долгий прогрев при большей теплоемкости охлаждающей жидкости оказивается движку полезнее.

И вода оказывается в печке греется, а не сбрасывается туда на охлаждение независимо от положения термостата.

Для справки:

Уже давно есть движки прекрасно работающие при 120 градусах и менее 100 для них вредно.

В машинах с кондиционером стоит другой радиатор там два вентилятора.

Поведение вашего авто больше похоже на подклинивающий термостат, когда он неполностью открывается и датчики во всю трубят вентилятору работай, он изовсех сил пытается работать но через радиатор идет меньшая часть охлождающей жидкости а остальная шурует по малому кругу почти не охлождаясь.

В идеале теплоемкость жидкости должна быть минимальной, завелся и она уже рабочей температуры, и отводить она должна максимум тепла перенося его в радиатор.

Посилання на коментар
https://lanos.com.ua/topic/62684-dorabotka-so-sens/page/2/#findComment-1321158
Поділитись на інші сайти

Вот уже и в карту двери девайз врезан. Завтра подключаю датчики и усе! :)

gallery_13656_1979_55067.jpg

Посилання на коментар
https://lanos.com.ua/topic/62684-dorabotka-so-sens/page/2/#findComment-1321241
Поділитись на інші сайти

Наконец то закончил с установкой девайза . Теперь я могу в реальном времени краем левого глаза наблюдать за температурой ОЖ в системе охлаждения. Очень наглядно получилось. Доволен , вроде и мелкий гаджет но запищит когда ож начнет перегреваться и продублирует работу вентилятора. По поводу крана на печку, действительно, теперь могу подтвердить тот факт, что при его перекрытии ОЖ в начале прогревается быстрее и естественно быстрее включает термостат. Т.е. охлаждайка начинает быстрее циркулировать по большому кругу охлаждения.

Ну и конечно вариант врезки датчика в систему охлаждения

gallery_13656_1979_89808.jpg

Посилання на коментар
https://lanos.com.ua/topic/62684-dorabotka-so-sens/page/2/#findComment-1322654
Поділитись на інші сайти

Так как проект по установке автономного термоконтроля можно считать завершенным то на последок фотография всего в сборе

gallery_13656_1979_8898.jpg

Посилання на коментар
https://lanos.com.ua/topic/62684-dorabotka-so-sens/page/2/#findComment-1323337
Поділитись на інші сайти

По поводу крана на печку, действительно, теперь могу подтвердить тот факт, что при его перекрытии ОЖ в начале прогревается быстрее и естественно быстрее включает термостат. Т.е. охлаждайка начинает быстрее циркулировать по большому кругу охлаждения.

Все верно, и карлсон жужит меньше и реже при включении.

Правда для установки искал бы место где-то перед глазами.

Как будет все в сборе сними пож. реальные данные с перекр./открыт. краном по времени работы вент. охлаждения.

Посилання на коментар
https://lanos.com.ua/topic/62684-dorabotka-so-sens/page/2/#findComment-1324476
Поділитись на інші сайти

А конструкторато и не знали что их движку 90 градусов лучше чем 100 или 110.

Уже давно есть движки прекрасно работающие при 120 градусах и менее 100 для них вредно.

Конструктора как раз все в теме и потому на сайте МеМЗа указаны рабочие темп. двигателя, и допуски по темпер. и времени!!!

А как последняя реплика относится к МеМЗу - 307 (и аналогам) непонятно, есть желание грейте до 120, только головками запаситесь, и опыт тогда появится.

Заниженные температуры это не настолько вредно, - это скорее повышенный расход.

А завышенные это уже на 307 первый шаг к капиталке, т.е. голова как "ветряк" + пластилиновые кольца и т.д.

Читайте внимательнее мои посты. Я ни кого не призываю и не рекомендую ездить на заниженных или завышенных температурах. Температуру лучше держать в пределах указанных МеМЗом.

И долгий прогрев при большей теплоемкости охлаждающей жидкости оказивается движку полезнее.

И вода оказывается в печке греется, а не сбрасывается туда на охлаждение независимо от положения термостата.

Неасилил, - это вопросы или заключения?

Для справки:

В машинах с кондиционером стоит другой радиатор там два вентилятора.

Да какая разница? Что при этом функция радиатора меняется, а вентиляторов да хоть 10-ок поставьте, только этого не кто не делает, проще и дешевле увеличить размер радиатора и оставить один радиатор.

А если это относится к вопросу "Почему отсутствует кран?" - я написал, но могу более детальней ответить.

Поведение вашего авто больше похоже на подклинивающий термостат, когда он не полностью открывается и датчики во всю трубят вентилятору работай, он изо всех сил пытается работать но через радиатор идет меньшая часть охлождающей жидкости а остальная шурует по малому кругу почти не охлождаясь.

В идеале теплоемкость жидкости должна быть минимальной, завелся и она уже рабочей температуры, и отводить она должна максимум тепла перенося его в радиатор.

Машина новая ни чего не клинет. Байпас малый круг перекрывает нормально я проверял, просто большое влияние на время сброса температуры кольца (магистрали) через печку. D - 32 мм основные, а через печку 16 мм и это не мало...

Теплоемкость должна быть расчетной, а не минимальной. У верхнего/нижнего термоса есть такой основной параметр как "время открытия". Если теплоемкость будет "Минимальной", будет сложно контролировать верхний предел по температуре. СО достаточно инерционная. К чему это приводит все знают.

Посилання на коментар
https://lanos.com.ua/topic/62684-dorabotka-so-sens/page/2/#findComment-1324505
Поділитись на інші сайти

  • 2 тижня потому...

А кто-то еще заметил что пропеллер меньше работает?

А то тезис что "печка греет двигатель" как-то фантастически звучит

Pretindent

На штатной СО народ по 300 тыс без капиталки ездит, смысл заморачиваться? Про воду которая в печке греется - это вполне очевидная ирония по поводу ваших логических умозаключений.

Посилання на коментар
https://lanos.com.ua/topic/62684-dorabotka-so-sens/page/2/#findComment-1331320
Поділитись на інші сайти

Андрей!

Не могу подтвердить тот факт, что то что печка греет двигатель, но с перекрытым крантиком печки действительно ож прогревается быстрее и переключается на большой круг охлаждения. Проверено. Все таки считаю, что этот крантик нужно моторизировать и зимой он будет помогать в более быстром прогреве жидкости. Чтобы сделать может переключатель типа прогрев двигателя.

И еще. Пришлось мне пару недель покататься на воде, так по термоконтроллеру вода медленее прогревается чем ОЖ. Летом если бы не коррозийный свойства воды вообще по моему на воде более правильно было бы ездить.

На счет заморочек, так их уже нету. Все стоит на своих местах и все работает. :)

Посилання на коментар
https://lanos.com.ua/topic/62684-dorabotka-so-sens/page/2/#findComment-1331349
Поділитись на інші сайти

Летом если бы не коррозийный свойства воды вообще по моему на воде более правильно было бы ездить.

Поддерживаю, также для промывки движка ездил немного на воде летом, намного реже вентилятор включается на ней.

Посилання на коментар
https://lanos.com.ua/topic/62684-dorabotka-so-sens/page/2/#findComment-1331395
Поділитись на інші сайти

Игорь, я немного не о том...

Совершено согласен что с перекрытием печки будет быстрее прогреваться, но то что при одинаковой температуре будет реже включаться вентилятор если ее перекрыть - ну не верится никак.

Посилання на коментар
https://lanos.com.ua/topic/62684-dorabotka-so-sens/page/2/#findComment-1331430
Поділитись на інші сайти

Гість
Ця тема закрита для опублікування відповідей.
×
×
  • Створити...

Важлива інформація

Ми розмістили cookie-файлы на ваш пристрій, щоб допомогти зробити цей сайт кращим. Ви можете змінити налаштування cookie-файлів, або продовжити без зміни налаштувань.