Перейти до змісту

Кнопки аварійки та задінх ПТФ. Заміна...


Рекомендовані повідомлення

Кнопки аварійки та задінх ПТФ мені приходиться перенести в інше місце, так як на їхньму місці буде розташований монітор. Тому постає питання, чи можна використати кнопки від інших авто, щоб вони виконували такі ж функції? А також цікавить розпіновка роз'ємів даних кнопок. Буду дуже вдячний за допомогу.

Змінено користувачем x_omega_x
Посилання на коментар
https://lanos.com.ua/topic/38006-knopki-avariyki-ta-zadinh-ptf-zamina/
Поділитись на інші сайти

-

Змінено користувачем SEPT
Посилання на коментар
https://lanos.com.ua/topic/38006-knopki-avariyki-ta-zadinh-ptf-zamina/#findComment-847066
Поділитись на інші сайти

Куплена 8-ми контактна (1,2,4,5,9,10,11,12) кнопка аварійки від ВАЗ. Модель 375.3710-01.03 12V Як її вірно підключити до рідних дротів? Або яку іншу кнопку можна використати? Буду дуже вдячний за допомогу.

Фото кнопки

Будь ласка Увійдіть або Зареєструйтесь щоб побачити посилання.

Посилання на коментар
https://lanos.com.ua/topic/38006-knopki-avariyki-ta-zadinh-ptf-zamina/#findComment-848480
Поділитись на інші сайти

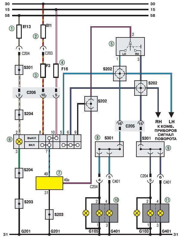
Задние ПТФ=11-кнопка,9-реле.97.jpg

Повороты=5-переключатель,6-кнопка,7-реле.

100.jpg

Посилання на коментар
https://lanos.com.ua/topic/38006-knopki-avariyki-ta-zadinh-ptf-zamina/#findComment-848654
Поділитись на інші сайти

Гість
Ця тема закрита для опублікування відповідей.
×
×
  • Створити...

Важлива інформація

Ми розмістили cookie-файлы на ваш пристрій, щоб допомогти зробити цей сайт кращим. Ви можете змінити налаштування cookie-файлів, або продовжити без зміни налаштувань.