Перейти до змісту

Помогите с диагностикой


Рекомендовані повідомлення

Всем доброго времени суток. Машина: Lanos 1.6 (Poland)

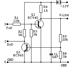
1. Хочу собрать K-line адаптер. Не охота много времени тратить на сборку, хватит самого простенького, главное чтобы работал. Хочу собрать по схеме kline.gif

либо по вот такой

k-small2.gif

Что можете сказать о данных схемах? работают?

2. Каким ПО можно провести диагностику?

3. Какой тип разьема установлен на данном авто? (интересует распиновка, либо название, а там найдем уже)

Посилання на коментар
https://lanos.com.ua/topic/36563-pomogite-s-diagnostikoy/
Поділитись на інші сайти

первая схема проще и проверенна, легко работает с T-monitor, и можеш препрошить микас. провереил на себе. t-monitor работает только через ком, через переходник юсб не будет. а программа для перепрошивки с переходником юсб-ком норм

Посилання на коментар
https://lanos.com.ua/topic/36563-pomogite-s-diagnostikoy/#findComment-812795
Поділитись на інші сайти

Посмотри здесь...

Будь ласка Увійдіть або Зареєструйтесь щоб побачити посилання.

А Т-монитор для Ланоса 1,6 НЕ ПОДОЙДЕТ! Т-монитор для Микаса...

Посилання на коментар
https://lanos.com.ua/topic/36563-pomogite-s-diagnostikoy/#findComment-812804
Поділитись на інші сайти

Есть возможность подключения через COM, поэтому USB не столь важно. Адаптер собиру. А что можете сказать по поводу ПО?

Змінено користувачем vitaxa
Посилання на коментар
https://lanos.com.ua/topic/36563-pomogite-s-diagnostikoy/#findComment-812823
Поділитись на інші сайти

Витаха, ты хотя бы форум чуток почитал, поиск еще доступен. Зачем темы клонировать?

Из тех что ты привел схем скажу. Ты хочеш на халяву и все сразу. Иными словами, какой адаптер такая и работа.

Посилання на коментар
https://lanos.com.ua/topic/36563-pomogite-s-diagnostikoy/#findComment-812839
Поділитись на інші сайти

ты хотя бы форум чуток почитал, поиск еще доступен.

Форум почитал и не чуток;) схемы найдены благодаря ссылкам с форума, кстати.

Зачем темы клонировать?

с той целью, что не нашел на форуме ответов на мои вопросы именно к Lanos 1.6. По ссылке, которую дал fourth, нашел кое-что полезное, но всеже там далеко не все что меня интресует.

хочеш на халяву и все сразу

С этим даже не спорю. Но для того форумы и созданы, чтобы помочь людям найти ответы на интересующие вопросы. Вабще создал тему, чтобы получить ответ от тех, кто сам на личном опыте делал и опять же из личного опыта может посоветовать как лучше/хуже и как стоит и не стоит делать.

Иными словами, какой адаптер такая и работа.

Мне нужен адаптер лишь для проведения диагностики, шить пока не планирую, да и если будет в планах прошивка, то разумеется позабочусь о стабильной связи ПК<->Авто.

Поэтому и нужен простенький адаптер формата "чтоб работал".

Вопрос о необходимом ПО и распиновке разьема актуальны. Есть Research DAEWOO, что скажете? как он дружит с Ланосом 1.6? Также нашел Tyranus_Daewoo_Scanner_v2_3.

Посилання на коментар
https://lanos.com.ua/topic/36563-pomogite-s-diagnostikoy/#findComment-813000
Поділитись на інші сайти

С этим даже не спорю

И забудь об этом, как о страшном сне...

Посилання на коментар
https://lanos.com.ua/topic/36563-pomogite-s-diagnostikoy/#findComment-814701
Поділитись на інші сайти

первая схема проще и проверенна, легко работает с T-monitor, и можеш препрошить микас. провереил на себе. t-monitor работает только через ком, через переходник юсб не будет. а программа для перепрошивки с переходником юсб-ком норм

У меня Т-монитор работает с переходником, там знаешь, что надо - в каталоге программы есть блокнот, а там нужно дописать некоторые параметры и всё будет пахать, но у меня другая проблема - не могу подключится к мозгам Ланоса 1,5 ZXJN, адаптер самодельный с переходником ком- юсб, микасы читает и пишет, а Ланосом не в какую :( уже пробовал подтяжку напряжения изменять, всё до лампочки, программы пускал Ресерч и део скан - ругаются "мол адаптер не отвечает"

У кого проблема такая была

Спасибо ;)

Змінено користувачем Max 55
Посилання на коментар
https://lanos.com.ua/topic/36563-pomogite-s-diagnostikoy/#findComment-815485
Поділитись на інші сайти

×
×
  • Створити...

Важлива інформація

Ми розмістили cookie-файлы на ваш пристрій, щоб допомогти зробити цей сайт кращим. Ви можете змінити налаштування cookie-файлів, або продовжити без зміни налаштувань.