Перейти до змісту

Установка противоугонки


Рекомендовані повідомлення

Добрый день.

Хочу установить противоугонку. Для этого нужно разорвать цепь зажигания низкого напряжения.

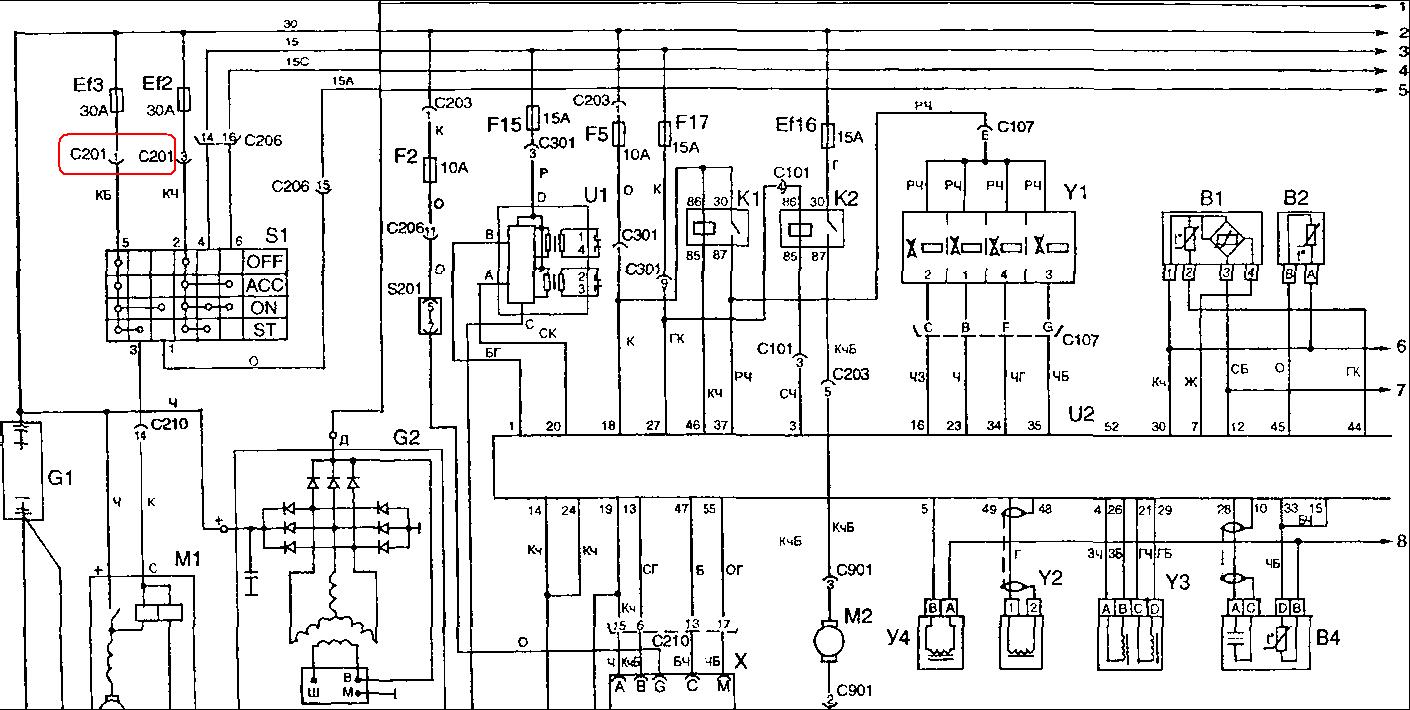
Посмотрел схему, нашел место, где можно разорвать провод. Поскольку провод резать не хочется нашел разъем С201:

 Razem2.JPGRazem.JPG

Идеальный вариант - купить еще один разъем и с помощью него разорвать цепь.

Подскажите где искать этот разъем и как к нему добраться?

 

Посилання на коментар
https://lanos.com.ua/topic/87517-ustanovka-protivougonki/
Поділитись на інші сайти

Будь ласка Увійдіть або Зареєструйтесь щоб побачити посилання.

Посилання на коментар
https://lanos.com.ua/topic/87517-ustanovka-protivougonki/#findComment-1915500
Поділитись на інші сайти

Будь ласка Увійдіть або Зареєструйтесь щоб побачити посилання.

Там написано "предохранитель пассажирского салона и коробка соединений". Прошу прощения, если можно для "чайника", а где это искать?

Посилання на коментар
https://lanos.com.ua/topic/87517-ustanovka-protivougonki/#findComment-1915501
Поділитись на інші сайти

Снимаете крышку у левой ноги водителя

Будь ласка Увійдіть або Зареєструйтесь щоб побачити посилання.

Посилання на коментар
https://lanos.com.ua/topic/87517-ustanovka-protivougonki/#findComment-1915505
Поділитись на інші сайти

Снимаете крышку у левой ноги водителя

Будь ласка Увійдіть або Зареєструйтесь щоб побачити посилання.

Понятно пойду искать

Посилання на коментар
https://lanos.com.ua/topic/87517-ustanovka-protivougonki/#findComment-1915510
Поділитись на інші сайти

Для публікації повідомлень створіть обліковий запис або авторизуйтесь

Ви повинні бути користувачем, щоб залишити коментар

Створити обліковий запис

Зареєструйте новий обліковий запис у нашій спільноті. Це дуже просто!

Реєстрація нового користувача

Увійти

Вже є акаунт? Увійти до системи.

Увійти
×
×
  • Створити...

Важлива інформація

Ми розмістили cookie-файлы на ваш пристрій, щоб допомогти зробити цей сайт кращим. Ви можете змінити налаштування cookie-файлів, або продовжити без зміни налаштувань.