Перейти до змісту

Таймер подсветки замка зажигания


Рекомендовані повідомлення

я купил, а как подключить не знал. пришлось разбирать и срисовывать схему.

Посилання на коментар
https://lanos.com.ua/topic/82059-taymer-podsvetki-zamka-zazhiganiya/page/2/#findComment-1870839
Поділитись на інші сайти

  • 1 місяць потому...

а я умеян подсветка замка горит при открытых дверях водительских, и заморочек намоного меньше

Посилання на коментар
https://lanos.com.ua/topic/82059-taymer-podsvetki-zamka-zazhiganiya/page/2/#findComment-1889328
Поділитись на інші сайти

а я умеян подсветка замка горит при открытых дверях водительских, и заморочек намоного меньше

y меня пока так же...но не соглашусь что удобно....дверь закрыл и все... зачем эта подсветка тогда?в идеале должна в течение минуты тухнуть как по мне

Посилання на коментар
https://lanos.com.ua/topic/82059-taymer-podsvetki-zamka-zazhiganiya/page/2/#findComment-1889344
Поділитись на інші сайти

y меня пока так же...но не соглашусь что удобно....дверь закрыл и все... зачем эта подсветка тогда?в идеале должна в течение минуты тухнуть как по мне

    

 

  Так она  и работает, там где идет штатно.  Зажигается при открытии двери, тухнет после того как ключ вставлен, или через минуту если ключ не вставлялся. 

По такому алгоритму я собирал свой диммер управления подсветкой замка, с тем отличием что в ланосе нет датчика наличия ключа в замке,  и подсветка тухнет после включения зажигания.

 

Змінено користувачем WerW0LF
Посилання на коментар
https://lanos.com.ua/topic/82059-taymer-podsvetki-zamka-zazhiganiya/page/2/#findComment-1889405
Поділитись на інші сайти

  Так она  и работает, там где идет штатно.  Зажигается при открытии двери, тухнет после того как ключ вставлен, или через минуту если ключ не вставлялся. 

По такому алгоритму я собирал свой диммер управления подсветкой замка, с тем отличием что в ланосе нет датчика наличия ключа в замке,  и подсветка тухнет после включения зажигания.

 

 

диммер на продажу идет такой?прайс? банально задержка 30-60 сек после закрытия нужна....ну или как у тебя)

Змінено користувачем eraser
Посилання на коментар
https://lanos.com.ua/topic/82059-taymer-podsvetki-zamka-zazhiganiya/page/2/#findComment-1889546
Поділитись на інші сайти

а у меня подсветка замка горит постоянно когда зажигание включено. мне все равно днем её не видно.

вместо лампочки поставил зеленый светодиод и пусть себе светит 100000часов пока не сгорит :)

Посилання на коментар
https://lanos.com.ua/topic/82059-taymer-podsvetki-zamka-zazhiganiya/page/2/#findComment-1889763
Поділитись на інші сайти

так подсветка нужна для того, что бы ночью видно было куда ключом попадать. зачем ей гореть при вкл. зажигании.

вчера только закончил подключение/ 7 секунд хватает что бы попасть в замок.

Посилання на коментар
https://lanos.com.ua/topic/82059-taymer-podsvetki-zamka-zazhiganiya/page/2/#findComment-1889823
Поділитись на інші сайти

я в замок попадаю не глядя, для меня это всего лишь иллюминация.

еще думаю подсветку на прикуриватель,  джойстик и корректор фар замутить, там реально её не хватает.

кстати, а как у Вас теперь подлючено, что за схема?

Посилання на коментар
https://lanos.com.ua/topic/82059-taymer-podsvetki-zamka-zazhiganiya/page/2/#findComment-1889830
Поділитись на інші сайти

Після запуску двигуна сигналка закриває центральний замок, якщо підключитись до привода ЦЗ то підсвітка буде гаснуть після запуску,

Будь ласка Увійдіть або Зареєструйтесь щоб побачити посилання.

.

Посилання на коментар
https://lanos.com.ua/topic/82059-taymer-podsvetki-zamka-zazhiganiya/page/2/#findComment-1890003
Поділитись на інші сайти

кстати, а как у Вас теперь подлючено, что за схема?

использовал реле от хонды. на нём четыре клеммы. постоянный плюс, выход минуса на подсветку, масса, вход минуса от водительской двери.

Посилання на коментар
https://lanos.com.ua/topic/82059-taymer-podsvetki-zamka-zazhiganiya/page/2/#findComment-1890482
Поділитись на інші сайти

  • 4 тижня потому...

Всім привіт! Варіант з реле цікавий, але я так і не зміг в нашому місті знайти його. Хочу зробити сам. Тож прошу вибачення, якщо не туди пишу:

 

Підкажіть, будь ласка, хто знає: як найпростіше реалізуати затримку вимкнення підсвітки замка запалювання на 5-7 секунд. Зараз в мене після закривання дверей відразу ж гасне кільце, тому доводиться не зачиняти двері, тицяти ключем в щілинку і тоді вже ляпати дверима і рушати...

 

Мене не цікавить плавне розгорання і плавне вимкнення, просто засвітилось, двері хлоп, 7 секунд горить - потухло і фсьо

 

Пробував просто конденсатор паралельно - а воно тільки плавно гасне, а не затримується. Тож прошу, підкажіть найпростішу схемку. Маю в наявності кілька транзисторів з материнських плат і моніторів, також є конденсатори і резистори.

 

Будь ласка Увійдіть або Зареєструйтесь щоб побачити посилання.

Змінено користувачем big_GRISHA
Посилання на коментар
https://lanos.com.ua/topic/82059-taymer-podsvetki-zamka-zazhiganiya/page/2/#findComment-1902053
Поділитись на інші сайти

я рассматриваю себе 2 варианта

- выключение с задержкой через реле времени

-  плавное гашение посредством зуммера 

Будь ласка Увійдіть або Зареєструйтесь щоб побачити посилання.

- 85 грн стоит штука, на 30 сек как раз нужная задержка.

5-7 сек мало как по мне, сел, закрыл, достал ключ....

Посилання на коментар
https://lanos.com.ua/topic/82059-taymer-podsvetki-zamka-zazhiganiya/page/2/#findComment-1902065
Поділитись на інші сайти

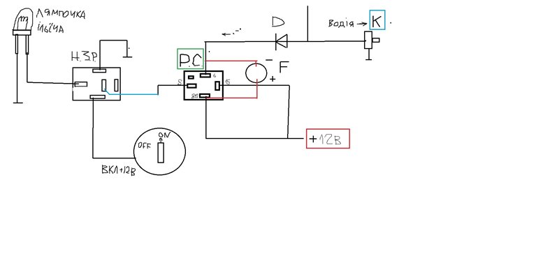
подсказали такую вот схемку:

V2eTQ.jpg

 


к - концевик водійської двері ( в стойці ) . Можна підєднати провід через діод , щоб світився твій замок лише від дверей водія
рс - реле склоочисника ваз 2109-99 ( вид на малюнку "знизу" )
+12В - постійні 12В - находиш саме блище в замку запалювання
ВКЛ 12В - +12В находиш в замку запалювання коли включаєш запалювання в автомобілі ( в інший час їх не має ) - слугує для відключення підсвідки замка запалювання
Н.З.Р. - Нормально замкнуте реле .  Загалом можеш взяти або Н.З реле або Універзальне ( як намалював тобі на малюнку ) . Підключаєш як показано .
F - конденсатор . В магазині купуєш декілька конденсаторів припустим на 16 чи 25 В  і емністю 25мкФ , і більше  .  Підєднуєш чітко за полярністю до реле склоочисника .  Чим більша емність конденсатора  , тим довше буде світити тобі після закриття дверей Лампочка ільїча .

 

кто что скажет?

Змінено користувачем big_GRISHA
Посилання на коментар
https://lanos.com.ua/topic/82059-taymer-podsvetki-zamka-zazhiganiya/page/2/#findComment-1904653
Поділитись на інші сайти

первая релюха постоянно включена при включенном зажигании. и вообще нужна ли она, в чем смысл?

Посилання на коментар
https://lanos.com.ua/topic/82059-taymer-podsvetki-zamka-zazhiganiya/page/2/#findComment-1904675
Поділитись на інші сайти

Чтото схема какая то сложная получается. Не проще ли купить обычный диммер салонного освещения и прилепить к подсветке личинки замка. Да и концевик двери использовать как то нелогично.

Достаточно купить штатную кнопку на личинку замка и таймер, чтобы при снятии с охраны отрабатывала задержка а при вставке ключа эта подсветка тухла.

Посилання на коментар
https://lanos.com.ua/topic/82059-taymer-podsvetki-zamka-zazhiganiya/page/2/#findComment-1904704
Поділитись на інші сайти

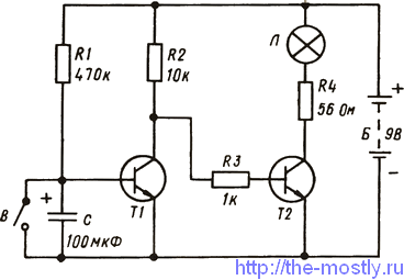
использовать релюхи это как-то стремно для такой путсяковой затеи,

вот таккя классическая схема на двух транзисторах в самый раз.

 

poznavatelnyye_eksperimenty_s_tranzistor

Посилання на коментар
https://lanos.com.ua/topic/82059-taymer-podsvetki-zamka-zazhiganiya/page/2/#findComment-1904731
Поділитись на інші сайти

первая релюха постоянно включена при включенном зажигании. и вообще нужна ли она, в чем смысл?

как объяснил автор рисунка: служит для отключения подсветки при включении зажигания

Посилання на коментар
https://lanos.com.ua/topic/82059-taymer-podsvetki-zamka-zazhiganiya/page/2/#findComment-1905073
Поділитись на інші сайти

я так понял что  лампочка будет всегда светиться при открытой двери (концевик замкнут на массу)

а при закрытии двери  концевик разсмыкается, напряжение пропадает и лампочка светится какое-то время пока етсь заряд в конденсаторе. 

получается 1 реле нужно чтобы отрубить напругу если кто-то сидит в машине с открытой дверью и включенным зажиганием?

Посилання на коментар
https://lanos.com.ua/topic/82059-taymer-podsvetki-zamka-zazhiganiya/page/2/#findComment-1905131
Поділитись на інші сайти

Гість
Ця тема закрита для опублікування відповідей.
×
×
  • Створити...

Важлива інформація

Ми розмістили cookie-файлы на ваш пристрій, щоб допомогти зробити цей сайт кращим. Ви можете змінити налаштування cookie-файлів, або продовжити без зміни налаштувань.