Перейти до змісту

как подключиться к форсунке?


Рекомендовані повідомлення

купил хрень типа экономайзера.

нужно один из проводов кинуть на форсунку.

не могу вкурить как это удобней сделать.

где подключится, к какому проводу?

Посилання на коментар
https://lanos.com.ua/topic/70236-kak-podklyuchitsya-k-forsunke/
Поділитись на інші сайти

Друже!

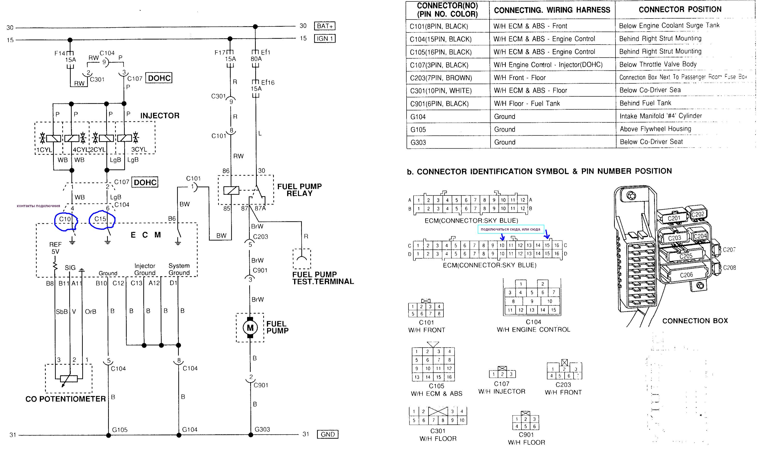
Однозначно подключайся на разъеме эбу

Если у тебя два голубых разъема то подключиться можно или на одну пару или на другую

X60Bs.jpg

Посилання на коментар
https://lanos.com.ua/topic/70236-kak-podklyuchitsya-k-forsunke/#findComment-1460982
Поділитись на інші сайти

тиха тиха...Щя mich ya скажет как...

Посилання на коментар
https://lanos.com.ua/topic/70236-kak-podklyuchitsya-k-forsunke/#findComment-1460983
Поділитись на інші сайти

эбу-это хрень в ногах пассажира?

или возле предохранителей?

Посилання на коментар
https://lanos.com.ua/topic/70236-kak-podklyuchitsya-k-forsunke/#findComment-1460991
Поділитись на інші сайти

Если у тебя две разные по цвету колодки ( белая и красная) , идущие от эбу то выходы будут чуть другие, там либо С4 либо С6

Это коробка за пластиковым треугольником у правой ноги переднего пассажира

Посилання на коментар
https://lanos.com.ua/topic/70236-kak-podklyuchitsya-k-forsunke/#findComment-1460993
Поділитись на інші сайти

Миша!

Девайз мой. Он не экономит а показывает мгновенный расход ( в зависимости от времени впрыска меняется засветка светодиодов.).

Оч. полезен как дисциплинирующий момент.

Посилання на коментар
https://lanos.com.ua/topic/70236-kak-podklyuchitsya-k-forsunke/#findComment-1461021
Поділитись на інші сайти

Игорь, так что же Ты не снабдил сразу товарища инфой по подключению? - а то он бедный мучается на всех форумах...

Ладно - пусть играется, потом посмотрим как это ему поможет.

Посилання на коментар
https://lanos.com.ua/topic/70236-kak-podklyuchitsya-k-forsunke/#findComment-1461036
Поділитись на інші сайти

все он снабдил. просто я не шарю. и не мучаюсь. наоборот интересно

Змінено користувачем Egen
Посилання на коментар
https://lanos.com.ua/topic/70236-kak-podklyuchitsya-k-forsunke/#findComment-1461037
Поділитись на інші сайти

Ну вот. У тебя эбу с двумя голубыми разъемами, подключайся к проводку на большем разъеме, выше есть схема где находится контакты управления форсунками.

Посилання на коментар
https://lanos.com.ua/topic/70236-kak-podklyuchitsya-k-forsunke/#findComment-1461044
Поділитись на інші сайти

Ну вот. У тебя эбу с двумя голубыми разъемами, подключайся к проводку на большем разъеме, выше есть схема где находится контакты управления форсунками.

т.е. большой разъем, номера или 10 или 15.

тока ж там по схеме две ряда C,D на номер, пофиг на какой ?

Посилання на коментар
https://lanos.com.ua/topic/70236-kak-podklyuchitsya-k-forsunke/#findComment-1461051
Поділитись на інші сайти

Вот более корректно

PU3z9.jpg

Змінено користувачем Igr44
Посилання на коментар
https://lanos.com.ua/topic/70236-kak-podklyuchitsya-k-forsunke/#findComment-1461052
Поділитись на інші сайти

ага все понятно с10 или с15. спс

и табличко полезная

а +12 можно взять получается с С4?

Змінено користувачем Egen
Посилання на коментар
https://lanos.com.ua/topic/70236-kak-podklyuchitsya-k-forsunke/#findComment-1461058
Поділитись на інші сайти

Да конечно!

Ведь работа пар форсунок идентична и цикл у них совершенно одинаковый. Отличается только фаза открытия, но это в твоем случае не важно.

Посилання на коментар
https://lanos.com.ua/topic/70236-kak-podklyuchitsya-k-forsunke/#findComment-1461062
Поділитись на інші сайти

...вокруг одни дыбилы.

Заметь - Ты себя сам так назвал.

я всего лишь предложил выкинуть и не ставить эту хрень... :ay-yay:

Посилання на коментар
https://lanos.com.ua/topic/70236-kak-podklyuchitsya-k-forsunke/#findComment-1461066
Поділитись на інші сайти

Миша!

Девайз мой. Он не экономит а показывает мгновенный расход ( в зависимости от времени впрыска меняется засветка светодиодов.).

Оч. полезен как дисциплинирующий момент.

Что за гаджет и сколько стоит? Себе такой тоже хочу :D

Хоть на 9ке штатным не пользовался и не пользуюсь сейчас но интересная штука. Купил бы наверно

Змінено користувачем V@k
Посилання на коментар
https://lanos.com.ua/topic/70236-kak-podklyuchitsya-k-forsunke/#findComment-1461067
Поділитись на інші сайти

12,4 тис   59

Да конечно!

Ведь работа пар форсунок идентична и цикл у них совершенно одинаковый. Отличается только фаза открытия, но это в твоем случае не важно.

Это что впрыск попарный?

Посилання на коментар
https://lanos.com.ua/topic/70236-kak-podklyuchitsya-k-forsunke/#findComment-1461072
Поділитись на інші сайти

Ребята!

Да не скубайтесь вы! Я между двух огней! :)

Мир - дружба - жвачка - пепси-кола!

Посилання на коментар
https://lanos.com.ua/topic/70236-kak-podklyuchitsya-k-forsunke/#findComment-1461073
Поділитись на інші сайти

Это что впрыск попарный?

Ну конечно! За каждый оборот коленвала каждая форсунка по одному разу впустую плюет.

Это только на двигах 1.3 есть 4 порта для каждой форсунки. На 1.4 тоже такая адресация, но система впрыска отличается.

Посилання на коментар
https://lanos.com.ua/topic/70236-kak-podklyuchitsya-k-forsunke/#findComment-1461074
Поділитись на інші сайти

12,4 тис   59

Ну конечно! За каждый оборот коленвала каждая форсунка по одному разу впустую плюет.

А зачем? Логики не понимаю.

Посилання на коментар
https://lanos.com.ua/topic/70236-kak-podklyuchitsya-k-forsunke/#findComment-1461100
Поділитись на інші сайти

В моем БЖ посмотри ,я уже подключил такой девайс и ЭБУ вроде одинаковые.

Посилання на коментар
https://lanos.com.ua/topic/70236-kak-podklyuchitsya-k-forsunke/#findComment-1461167
Поділитись на інші сайти

Очень хорошо! Действительно ред, что все получилось у тебя.

Посилання на коментар
https://lanos.com.ua/topic/70236-kak-podklyuchitsya-k-forsunke/#findComment-1463756
Поділитись на інші сайти

Гість
Ця тема закрита для опублікування відповідей.
×
×
  • Створити...

Важлива інформація

Ми розмістили cookie-файлы на ваш пристрій, щоб допомогти зробити цей сайт кращим. Ви можете змінити налаштування cookie-файлів, або продовжити без зміни налаштувань.