Перейти до змісту

Разветвитель 12V-5V


Рекомендовані повідомлення

Надоели разветвитель прикуривателя. Плохо фиксируется разъем, пропадает контакт, ну и как обычно в нужное время перестает работать видеорегистратор, заряжатся навигатор и т.п.

Так как у 99% устройст напряжение питания 5V, и USB кабель подзарядки. Рещил сделать преобразовате-разветвитель 12V-5V на 8 USB портов. За основу взят DC-DC преобразователь VMP3201-5V, стоимость 6$. Максимальный ток работы 1.2A. Поэтому было сделать 2 независимых преобразователя по 4 порта каждый. Один например можно запитать от постоянных 12V, а второй будет вклюатся при включении зажигания.

Фото и схема:

Будь ласка Увійдіть або Зареєструйтесь щоб побачити посилання.

Змінено користувачем AlexNT
Посилання на коментар
https://lanos.com.ua/topic/65263-razvetvitel-12v-5v/
Поділитись на інші сайти

Идея интересная, но не совсем полноценная...

Есть, например, такой вариант:

Будь ласка Увійдіть або Зареєструйтесь щоб побачити посилання.

и цена 41 грн за 4 порта и БП внешний - это дешевле чем 6$, да и с компом и с магнитолой такое решение совместимо... шина данных еще никому не вредила.

P.S: касательно данной темы, то питание коробочки 3-х проводное, ну совсем некорректно выглядит.

Посилання на коментар
https://lanos.com.ua/topic/65263-razvetvitel-12v-5v/#findComment-1355754
Поділитись на інші сайти

Идея интересная, но не совсем полноценная...

Есть, например, такой вариант:

Будь ласка Увійдіть або Зареєструйтесь щоб побачити посилання.

и цена 41 грн за 4 порта и БП внешний - это дешевле чем 6$, да и с компом и с магнитолой такое решение совместимо... шина данных еще никому не вредила.

Как к этому концентратору в машине подключить устройство? :)

P.S: касательно данной темы, то питание коробочки 3-х проводное, ну совсем некорректно выглядит.

не понял замечания насчет не корректности? Один контакт земля, два других +12V

Посилання на коментар
https://lanos.com.ua/topic/65263-razvetvitel-12v-5v/#findComment-1355755
Поділитись на інші сайти

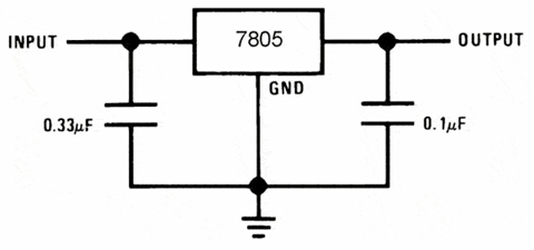
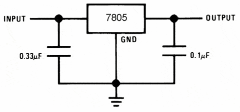
mich_ya, Миш, ты что-то не дочитал. Автор предлагает зарядку посредством USB в машине через преобразователь. Ты же просто указал хаб. Да еще и с внешним блоком питания. Чего с ним в машине делать-то ? :) Применяемые в схеме DC-DC - классная штука, это не КРЕН5А/7805. Вот только стОят они у нас поболее $6.

Посилання на коментар
https://lanos.com.ua/topic/65263-razvetvitel-12v-5v/#findComment-1355758
Поділитись на інші сайти

mich_ya, не понял суть темы, девайся не к компу и не к магнитоле, а чисто для прикуривателя, так как все девайсы (большинство) идут с зарядом от ЮСБ.

AlexNT, куда инсталлируешь?

Посилання на коментар
https://lanos.com.ua/topic/65263-razvetvitel-12v-5v/#findComment-1355759
Поділитись на інші сайти

Вот только стОят они у нас поболее $6.

На китайском сайте можно за 6$ подождать 2 недели :)

AlexNT, куда инсталлируешь?

Планирую где то в районе правой ноги водителя.

Посилання на коментар
https://lanos.com.ua/topic/65263-razvetvitel-12v-5v/#findComment-1355766
Поділитись на інші сайти

Всем по порядку:

1. Внешний вид приведенной коробочки, особенно его зеленый разъемчик и 3 провода - меня не впечатлил. <_< Делать такой корпус и лепить проводочки - не по феншую. Можно было этот участок сделать и на адекватных разъемах питания - ну просто вид портит.

2. Хаб, что я привел как пример, не только дает питание по USB (что есть предметом данной темы), а еще и передачу данных поддерживает - что есть более расширенным функционалом в сравнении с просто питателем за туже, а может и за меньшую стоимость. Питание хаба: 12В от внешнего БП, т.е. спокойно можно запитывать от авто и исключать БП.

В итоге получаем: 4 порта для передачи данных и для подзарядки плюс БП можно использовать в любом другом месте. и по цене 4 порта выходят дешевле, чем в предложенном решении.

Теперь берем магнитолу с USB, подключаем к ней данный хаб. Получаем что и подзарядку имеем и флешку вставить для прослушивания музыки можно будет. Даже если магнитола данный хаб поддерживать не сможет, то питание для подзарядки будет обеспечено точно, ну и ноут подключить можно.

Змінено користувачем mich_ya
Посилання на коментар
https://lanos.com.ua/topic/65263-razvetvitel-12v-5v/#findComment-1355771
Поділитись на інші сайти

Я не совсем понимаю, зачем хаб в машине для передачи данных, ну да ладно. Я о блоке питания для хаба. А эта тема-именно о питании :)

Посилання на коментар
https://lanos.com.ua/topic/65263-razvetvitel-12v-5v/#findComment-1355775
Поділитись на інші сайти

Я не совсем понимаю, зачем хаб в машине для передачи данных...

Саш, ну он же не только передачу данных делает, а еще и питание по USB дает. :oops: и выходит это дешевле чем предложенное решение...

Посилання на коментар
https://lanos.com.ua/topic/65263-razvetvitel-12v-5v/#findComment-1355778
Поділитись на інші сайти

Я поставиви гніздо з права від прикуривателя

med_gallery_20461_2647_6551.jpg

живлення зробив на основі автомобільної зарядки.

Спочатку взяв схемку від розгалуджувач з USB

med_gallery_20461_2647_16043.jpg

телефон заряджався, але не повністю десь на 70 %.

Можна поставить гніздо й так

Будь ласка Увійдіть або Зареєструйтесь щоб побачити посилання.

Посилання на коментар
https://lanos.com.ua/topic/65263-razvetvitel-12v-5v/#findComment-1355822
Поділитись на інші сайти

Всем по порядку:

1. Внешний вид приведенной коробочки.

2. Хаб, что я привел как пример, не только дает питание по USB.

Эта коробочка на виду и не ставится, а где то под торпедо. Это устройство организовывает стабилизированое питание 5 вольт, с хорошим током нагрузки, и с нормальными невыскакивающими разъемами (разъемы в прикуриватель). А дальше можно к нему и питание для хаба подключить, и разъемы внешние, или просто кабеля вывести для подзарядки устройств.

Посилання на коментар
https://lanos.com.ua/topic/65263-razvetvitel-12v-5v/#findComment-1355897
Поділитись на інші сайти

AlexNT, спасибо за наводку на модуль! Супер!

Хабы в качестве источника питания для мощных потребителей (навигатор, планшет и т.д.) не годятся, т.к. по спецификации должны обеспечить ток всего лишь до 500мА на порт, а на практике и того меньше.

Кроме того есть модуль VMP3203, current is up to 3.0A. Хабы отдыхают!

Посилання на коментар
https://lanos.com.ua/topic/65263-razvetvitel-12v-5v/#findComment-1356932
Поділитись на інші сайти

Ребята!

Ну чего вы напали на человека, ему было скучно, вот и сваял. Хотя все что написано выше правда, лично я тоже невижу необходимости в таком девайзе. Если хочется чегото мощного и стабильного, чтобы питать разнообразные чинайские девайзы в машине, то совсем несложно собрать один степ даун конвертор на ток порядка 5 ампер и цеплять на него что нужно и что ненужно. Схема выйдет ведь проще и дешевле. Да и временно - ресурсные затраты будут меньше. А вот оформить его можно вообще в корпусе какого нибудь реле , стационарно вживить в проводку и пользоваться им по необходимости.

Посилання на коментар
https://lanos.com.ua/topic/65263-razvetvitel-12v-5v/#findComment-1356957
Поділитись на інші сайти

Ребята!

Ну чего вы напали на человека, ему было скучно, вот и сваял.

Ну насчет скучно это не про меня. У меня есть всегда работа и чем заняться :) И делаю я все только по надобности. Нужно мне было такое устройств, именно с двумя не зависимыми источниками питания, я его сделал.

А все остальное замечание, это просто вопрос реализации. Я видел свое устройство так, так мне удобнее, такие компоненты для реализации у меня были. Кому то, это устройство без надобности, кому то пригодится или даст идею.

Змінено користувачем AlexNT
Посилання на коментар
https://lanos.com.ua/topic/65263-razvetvitel-12v-5v/#findComment-1357041
Поділитись на інші сайти

  • 4 тижня потому...

Хочу сделать что-то подобное, только с выходным током 2А. Попадались какие-то готовые схемы/решения?

Посилання на коментар
https://lanos.com.ua/topic/65263-razvetvitel-12v-5v/#findComment-1378024
Поділитись на інші сайти

конечно есть более интересные решения типа LM2576 :)

Посилання на коментар
https://lanos.com.ua/topic/65263-razvetvitel-12v-5v/#findComment-1378043
Поділитись на інші сайти

  • 4 місяця потому...

Можно купить готовую версию сего девайса?:) Сколько денег? :)

Посилання на коментар
https://lanos.com.ua/topic/65263-razvetvitel-12v-5v/#findComment-1487052
Поділитись на інші сайти

конечно есть более интересные решения типа LM2576 :)

А можно схемку? :oops:
Посилання на коментар
https://lanos.com.ua/topic/65263-razvetvitel-12v-5v/#findComment-1487079
Поділитись на інші сайти

  • 2 тижня потому...

Интересно вот так можно сделать?

e6e748s-480.gif

766e748s-480.jpg

Можно, только прийдется на каждый выход отдельную кренку ставить, и радиатор большой :)

Посилання на коментар
https://lanos.com.ua/topic/65263-razvetvitel-12v-5v/#findComment-1500138
Поділитись на інші сайти

Насколько большой радиатор должен быть? Мне нужен такой разветвитиель: на 4 порта, постоянно будут работать видеорегистратор, навигатор, изредка телефон, один порт запасной. Сколько будут стоить радиодетали на такую схемку? Или купить что-то готовое? В вашей схемке прошивать ничего не нужно?

Посилання на коментар
https://lanos.com.ua/topic/65263-razvetvitel-12v-5v/#findComment-1500185
Поділитись на інші сайти

Насколько большой радиатор должен быть? Мне нужен такой разветвитиель: на 4 порта, постоянно будут работать видеорегистратор, навигатор, изредка телефон, один порт запасной. Сколько будут стоить радиодетали на такую схемку? Или купить что-то готовое? В вашей схемке прошивать ничего не нужно?

кренки стоят не дорого, радиаторы в зависимости от тока нагрузки. Кренки максимиум 500 мA ток тают. Если по максимому брать то 0.5A * (14.2V - 5V) = 4.6 Вата в тепло на одной кренке. Вообще лучшге делайте на импульсном DC-DC преобразователе :) Чуть дороже. но зато КПД намного выше.

Посилання на коментар
https://lanos.com.ua/topic/65263-razvetvitel-12v-5v/#findComment-1500192
Поділитись на інші сайти

Вообще лучшге делайте на импульсном DC-DC преобразователе :) Чуть дороже. но зато КПД намного выше.

Это такие как в вашем варианте? Схему можно упрастить, не подводя питание к Data? Можно сделать на одном преобразователе для 4-х портов, мощности хватит для девайсов? Змінено користувачем Nero
Посилання на коментар
https://lanos.com.ua/topic/65263-razvetvitel-12v-5v/#findComment-1500646
Поділитись на інші сайти

Ну к чему такие крайности! :)

Ведь есть же отличные микрухи 2765, которые отдают 3-4А при выходе 5 вольт. Идальный вариант для зарядников и питания регистраторов и нафигаторов.

hkvJG.jpg

Посилання на коментар
https://lanos.com.ua/topic/65263-razvetvitel-12v-5v/#findComment-1500657
Поділитись на інші сайти

Это такие как в вашем варианте? Схему можно упрастить, не подводя питание к Data? Можно сделать на одном преобразователе для 4-х портов, мощности хватит для девайсов?

К Data питание не подводится. просто для зарыдкинекоторых телефонов, нужен резистор подтяжки одной из линий данных USB. В противном случае телефон не видит зарядку.

Посилання на коментар
https://lanos.com.ua/topic/65263-razvetvitel-12v-5v/#findComment-1500713
Поділитись на інші сайти

Гість
Ця тема закрита для опублікування відповідей.
×
×
  • Створити...

Важлива інформація

Ми розмістили cookie-файлы на ваш пристрій, щоб допомогти зробити цей сайт кращим. Ви можете змінити налаштування cookie-файлів, або продовжити без зміни налаштувань.