Перейти до змісту

Sens SX работа вентиляторов охлаждения


Рекомендовані повідомлення

Какая логика работі вентиляторов охлаждения радиатора в Sens SX. Как в Lanos или нет?

Должні они вращаться вместе на пониженіх оборотах при нагреве двигателя? У меня при нагреве двигателя включается только основной вентилятор, дополнительній "молчит".

Вращение похоже происходит на больших оборотах. С включенім кондиционером дополнительній тоже не включился.

Плюс к етому Раз в 2-3 дня горит предохранитель EF4 (на вентиляторі). Уже сгорело 3 предохранителя за неделю.

Как работали вентиляторі раньше не смотрел.

Посилання на коментар
https://lanos.com.ua/topic/41736-sens-sx-rabota-ventilyatorov-ohlazhdeniya/
Поділитись на інші сайти

у меня правда SE но тоже 1.6 - то включаются одновременно оба. Так чтобы работал только основной - такого еще не видел.

Посилання на коментар
https://lanos.com.ua/topic/41736-sens-sx-rabota-ventilyatorov-ohlazhdeniya/#findComment-918044
Поділитись на інші сайти

упс... увидел SX думал по любом это Ланос 1.6

Посилання на коментар
https://lanos.com.ua/topic/41736-sens-sx-rabota-ventilyatorov-ohlazhdeniya/#findComment-918115
Поділитись на інші сайти

Один основной, второй кондиционерный.

Посилання на коментар
https://lanos.com.ua/topic/41736-sens-sx-rabota-ventilyatorov-ohlazhdeniya/#findComment-918159
Поділитись на інші сайти

но включаются всегда оба. Тем более при включении кондея.

Посилання на коментар
https://lanos.com.ua/topic/41736-sens-sx-rabota-ventilyatorov-ohlazhdeniya/#findComment-918166
Поділитись на інші сайти

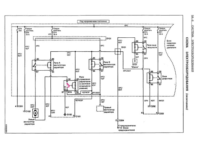
Вот схема кондея в Ланосе(думаю в сенс небыло смысла чтото мудрить)скорее всего сгорело реле или заклинен вентилятор кондея.

gallery_12883_37_83833.jpg

Посилання на коментар
https://lanos.com.ua/topic/41736-sens-sx-rabota-ventilyatorov-ohlazhdeniya/#findComment-918436
Поділитись на інші сайти

Спасибо за схему, я подобную англоязічную уже тоже нашел. Только вот интересно: по єтой схеме работа вентиляторов логична и понятна.

При подаче первого управляющего сигнала включаются оба вентилятора последовательно (следовательно на низких оборотах). При подаче второго управляющего сигнала работают тоже два вентилятора на вісоких оборотах.

Но я нашел еще схему в "РУКОВОДСТВО ПО ТЕХНИЧЕСКОМУ ОБСЛУЖИВАНИЮ И РЕМОНТУ АВТОМОБИЛЯ ЛАНОС" (прикрепленній файл). Прозвонил реле и вентилятори у себя в машине, получилось, что у меня собрано именно так как на єтой схеме.

В єтой схеме реле управления вентиляторами стоит с нормально замкнутім контактом на землю. Получаєтся при подаче первого управляющего сигнала включаются основной вентилятор на вісоких оборотах. При подаче второго управляющего сигнала основной вентилятор віключается, включается дополнительній вентилятор на вісоких оборотах. Тоесть нелогично. Єто что ошибка завода при віпуске документации (но тогда почему у меня в машине так собрано), или они с ошибкой так и клепают машині, или єто какая-то хитрая задумка, которую я не могу понять???

Будь ласка Увійдіть або Зареєструйтесь щоб побачити зображення.

Посилання на коментар
https://lanos.com.ua/topic/41736-sens-sx-rabota-ventilyatorov-ohlazhdeniya/#findComment-918622
Поділитись на інші сайти

В приведенной схеме некорректно указан контакт 87а на среднем реле-он нормально замкнутый,видимо схема собрана неверно согласно этой схемы,нужно поменять местами 87 и 87а у вас на машине-ИМХОa8e81901df26.jpg

Змінено користувачем Lube
Посилання на коментар
https://lanos.com.ua/topic/41736-sens-sx-rabota-ventilyatorov-ohlazhdeniya/#findComment-918697
Поділитись на інші сайти

Легче наверно поменять реле, не трогая провода. Поставить реле с нормальнозамкнутім контактом на 87а. Ятак понял они имено реле другое поставили, а не провода меняли местами.

p.s. На заводе что не видят что они собирают????

Посилання на коментар
https://lanos.com.ua/topic/41736-sens-sx-rabota-ventilyatorov-ohlazhdeniya/#findComment-918720
Поділитись на інші сайти

Легче наверно поменять реле, не трогая провода. Поставить реле с нормальнозамкнутім контактом на 87а. Ятак понял они имено реле другое поставили, а не провода меняли местами.

p.s. На заводе что не видят что они собирают????

Реле идут стандартные-в 5контактном реле контакт 87А нормальнозамкнут ВО ВСЕХ РЕЛЕ=это международный стандарт,а вот при сборке(согласно схемы) подключить неправильно провода=это запросто.

relay3_800_photo.jpg

tables_52772_OK.gif

relay6_800_.jpg

Змінено користувачем Lube
Посилання на коментар
https://lanos.com.ua/topic/41736-sens-sx-rabota-ventilyatorov-ohlazhdeniya/#findComment-918782
Поділитись на інші сайти

6ed7d50733e0.jpg

Еще одна схемка.

Посилання на коментар
https://lanos.com.ua/topic/41736-sens-sx-rabota-ventilyatorov-ohlazhdeniya/#findComment-918813
Поділитись на інші сайти

Реле посмотрел ланосовские действительно такие-же других нет. Проехал на машине, прогрел хорошо двигатель, откріл капот - крутится один вентилятор (на єтом єтапе поменял на новіе 2 реле: управляющее пятиконтактное и реле дополнительного вентилятора). На холостіх включил кондиционер - без изменений (крутится один вентилятор).

Ехал назад с включенім кондиционером. По приезду откріл капот - врвщяются два вентилятора!!!!!! При віключении кондиционера віключились оба вентилятора. Опять включил кондиционер опять запустились два вентилятора.

Предохранитель пока целій (2-й день).

Тоесть схема сбора реле у меня какая-то другая и с Lanosa не подходит(хотя при прозвонке на скорую руку показалась что подходит вторая). Логика подачи управляющих сигналов получается тоже другая. Постараюсь прозвонить сегодня более внимательно.

На Lanos по той схеме может крутиться только два вентилятора сразу. Может кто сталкивался с раздельнім включением вентиляторов?

Посилання на коментар
https://lanos.com.ua/topic/41736-sens-sx-rabota-ventilyatorov-ohlazhdeniya/#findComment-918821
Поділитись на інші сайти

to Lube: спасибо за схему буду візванивать на соответствие. По єтой схеме при включенном основном вентиляторе если включаешь кондиционер то должен сразу включиться дополнительній вентилятор.

Посилання на коментар
https://lanos.com.ua/topic/41736-sens-sx-rabota-ventilyatorov-ohlazhdeniya/#findComment-918841
Поділитись на інші сайти

А какой ЭБУ на сенсах стоит? Есть ли там 2 выхода на переключение скоростей? Может они там не так как в ланосах работают. В ланосе сначала выставляется 0 на один из выходов, при этом включается первая скорость. Потом 0 выставляется на второй выход, включая вторую скорость. И там где 1 вентилятор используется гасящий резистор на первой скорости, а там где 2 - последовательное включение вентиляторов.

В машинах с кондером ЭБУ может включать 2-ю скорость не только по температуре ОЖ, а и по повышению давления хладагента, для лучшего его охлаждения.

Вот еще по вентиляторам на ланосе

Будь ласка Увійдіть або Зареєструйтесь щоб побачити посилання.

. Там подробно расписано что и как включается.

Посилання на коментар
https://lanos.com.ua/topic/41736-sens-sx-rabota-ventilyatorov-ohlazhdeniya/#findComment-918853
Поділитись на інші сайти

Стоит Микас 10.3 кажется. Реле на вентиляторі стоит 3 штуки. Управляющих сигналов с контроллера соответственно 2. Работают может и не как на Lanos-ах но на последнюю схему похоже, надо візванивать, уточнять. Логіку подачи управляющих сигналов контролером я не знаю.

Посилання на коментар
https://lanos.com.ua/topic/41736-sens-sx-rabota-ventilyatorov-ohlazhdeniya/#findComment-918866
Поділитись на інші сайти

Судя по

Будь ласка Увійдіть або Зареєструйтесь щоб побачити посилання.

и микас умеет только включать-выключать вентилятор, работа на разных скоростях не предусмотрена... Еще непонятно, есть ли там анализ данных с датчика давления хладагента. Так что для чего там куча реле не совсем понятно, нужно смотреть схему, как они подключены на машине (на какие контакты ЭБУ).

Посилання на коментар
https://lanos.com.ua/topic/41736-sens-sx-rabota-ventilyatorov-ohlazhdeniya/#findComment-918880
Поділитись на інші сайти

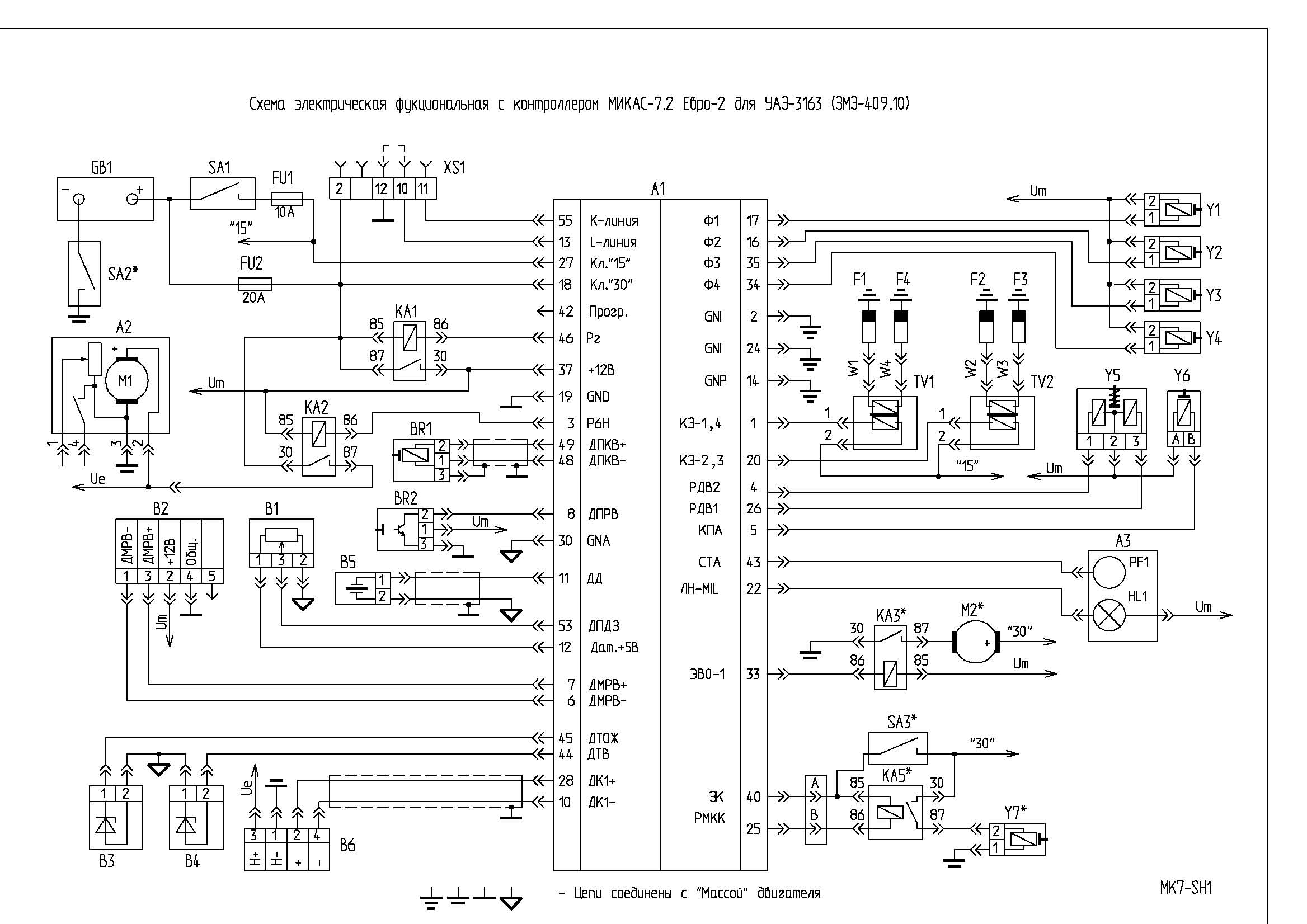
mik7.jpg

Вывода микас7* 40-25 включение кондиционера.

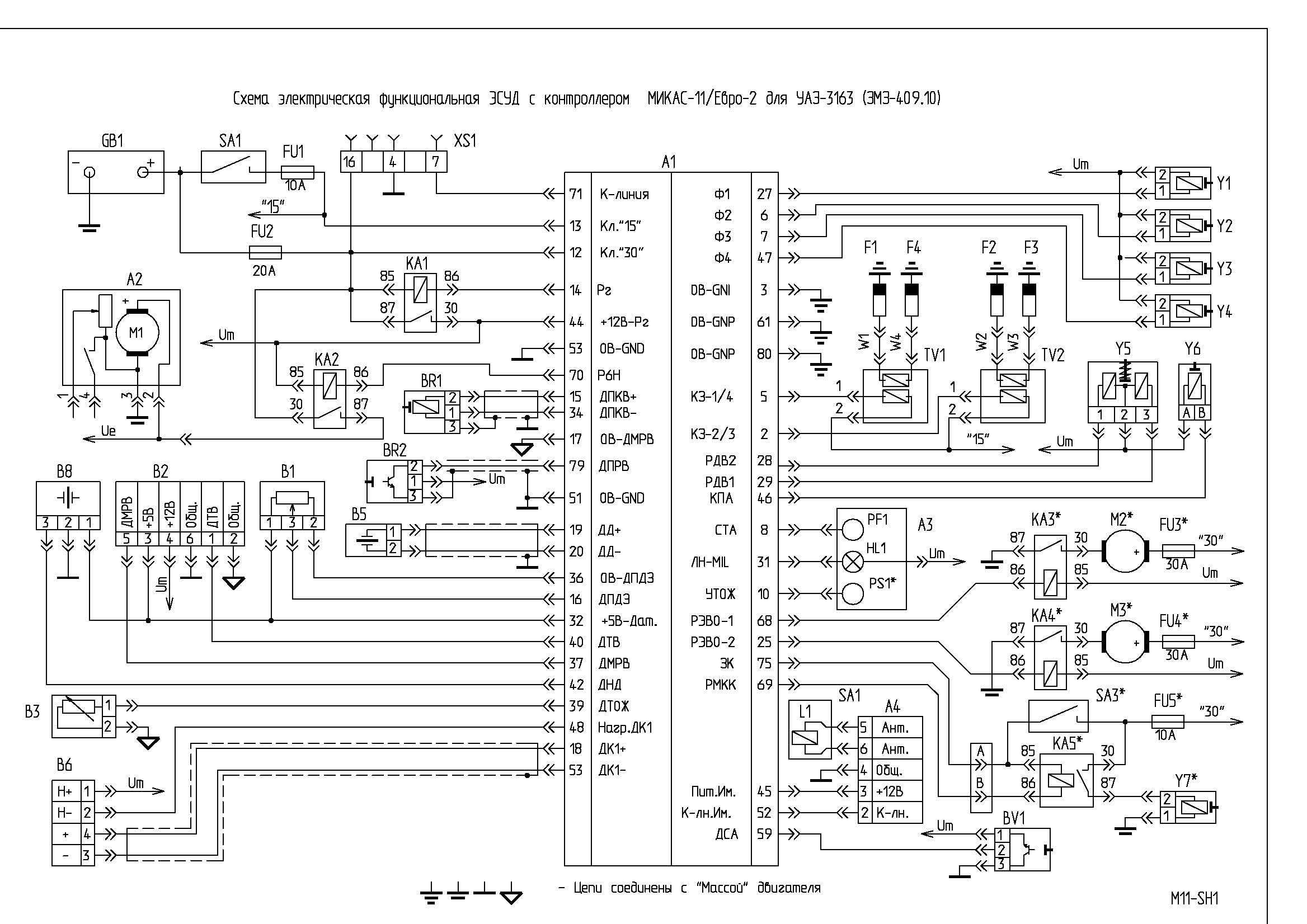
Микас 11 тоже умеет управлять кондишном

mik11_1.jpg

На обоих схемах КА5-реле кондиционера

КА3-КА4 реле вентиляторов.

Змінено користувачем Lube
Посилання на коментар
https://lanos.com.ua/topic/41736-sens-sx-rabota-ventilyatorov-ohlazhdeniya/#findComment-918903
Поділитись на інші сайти

По схеме получаеться в 11 микасе вентиляторы управляются каждый отдельно, просто включаются либо 1 либо 2, без возможности регулировки скорости. Тогда эту схему можно подогнать под ланосовскую, используя 2 выхода (наверняка они будут включаться сначала один, потом 2 вместе).

Посилання на коментар
https://lanos.com.ua/topic/41736-sens-sx-rabota-ventilyatorov-ohlazhdeniya/#findComment-918915
Поділитись на інші сайти

Ну я так понимаю все зависит от прошивки и "начинки "блоков.

Посилання на коментар
https://lanos.com.ua/topic/41736-sens-sx-rabota-ventilyatorov-ohlazhdeniya/#findComment-918953
Поділитись на інші сайти

На схеме для Микас 11 два реле на вентиляторі. У меня их стоит три как в Lanos.

Посилання на коментар
https://lanos.com.ua/topic/41736-sens-sx-rabota-ventilyatorov-ohlazhdeniya/#findComment-918965
Поділитись на інші сайти

Ну там они показаны условно,прошивка может включать как один выход так и второй,так и оба вместе.

Змінено користувачем Lube
Посилання на коментар
https://lanos.com.ua/topic/41736-sens-sx-rabota-ventilyatorov-ohlazhdeniya/#findComment-918975
Поділитись на інші сайти

  • 2 тижня потому...

У меня сенс Sx

Включается 2ва одновременно.

Но отключаются пошагово сначала 1 потом 2рой. вот так

Посилання на коментар
https://lanos.com.ua/topic/41736-sens-sx-rabota-ventilyatorov-ohlazhdeniya/#findComment-927618
Поділитись на інші сайти

Гість
Ця тема закрита для опублікування відповідей.
×
×
  • Створити...

Важлива інформація

Ми розмістили cookie-файлы на ваш пристрій, щоб допомогти зробити цей сайт кращим. Ви можете змінити налаштування cookie-файлів, або продовжити без зміни налаштувань.