Перейти до змісту

Нужна помощь автоэлектрика или электронщика-сам зашиваюсь.


Рекомендовані повідомлення

ИМХО использование ИС в данной схеме не оправдано. При наличии длинных проводников в управлении, предидущая схема на биполярных транзисторах (с меньшим входным сопротивлением), реализованная

Будь ласка Увійдіть або Зареєструйтесь щоб побачити посилання.

, более помехоустойчива.

Это кто такое сказал? :)

successful soldering

Посилання на коментар
https://lanos.com.ua/topic/24980-nuzhna-pomosch-avtoelektrika-ili-elektronschika-sam-zashivayus/page/3/#findComment-580965
Поділитись на інші сайти

Это кто такое сказал? :)

Это Вы о чем?

Посилання на коментар
https://lanos.com.ua/topic/24980-nuzhna-pomosch-avtoelektrika-ili-elektronschika-sam-zashivayus/page/3/#findComment-581281
Поділитись на інші сайти

Вот такая схема получилась сейчас,конденсатор так поставить?(обведено).831cd076d5c1.jpg

Посилання на коментар
https://lanos.com.ua/topic/24980-nuzhna-pomosch-avtoelektrika-ili-elektronschika-sam-zashivayus/page/3/#findComment-582834
Поділитись на інші сайти

...конденсатор так поставить?

Нет, в случае защиты VT1 лучше на плюсовую шину.

Змінено користувачем Krylov
Посилання на коментар
https://lanos.com.ua/topic/24980-nuzhna-pomosch-avtoelektrika-ili-elektronschika-sam-zashivayus/page/3/#findComment-582901
Поділитись на інші сайти

  • 5 місяців потому...

Итак тема снова актуальна=не выдержав летней эксплуатации пробился один из транзисторов что привело к постоянной работе одного из реле и как следствие перегорание предохранителей стеклоподьемников.Снова ищется схемное решение,вот смотрю в сторону твердотельных реле,что скажете?HELP

Посилання на коментар
https://lanos.com.ua/topic/24980-nuzhna-pomosch-avtoelektrika-ili-elektronschika-sam-zashivayus/page/3/#findComment-706755
Поділитись на інші сайти

А какие транзисторы применялись? Я бы себе делал на каком-нибудь маленьком микроконтроллере, там и защиту можно и другие навороты

Посилання на коментар
https://lanos.com.ua/topic/24980-nuzhna-pomosch-avtoelektrika-ili-elektronschika-sam-zashivayus/page/3/#findComment-706887
Поділитись на інші сайти

Отчитываюсь,схема на полевых транзисторах-самое то!Собрал как на схеме выше-транзисторы 640 и 9630,их валом и цена по 2.5-3гр,стабилитроны поставил кс175а,можно и 182а,но опять таки при посадке напряжения до 9в плохо срабатывали(у меня аккумулятор от пожарной сигнализации уже подсел),всем спасибо ОГРОМНОЕ!Позже выложу видео с работой устройства.установлю на машину напишу.Думаю тема будет полезна при реализации различных устройств в наших машинах тоже.

Посилання на коментар
https://lanos.com.ua/topic/24980-nuzhna-pomosch-avtoelektrika-ili-elektronschika-sam-zashivayus/page/3/#findComment-707206
Поділитись на інші сайти

  • 2 тижня потому...

В продолжение темы,СПАСИБО огромное Игорю(Igr44)за предоставленную схему-

gallery_13656_622_4273.jpg

которая была собрана и вчера установлена,единственный(на мой взгляд)недостаток схемы это постоянно притянутые реле,которые по сигналу с кнопки просто очередно отключаются-тоесть при подаче питания оба реле срабатывают и находятся в подтянутом состоянии постоянно,по сигналу с кнопки соответствующее сигналу реле отключается и своими контактами подает питание на мотор,были использованы 5ти контактные реле,плата была экранирована фольгой,работа в норме,помехоустойчивость на высоте.Думаю указанный выше недостаток схемы легко устраним заменой транзисторов с N-P-N на P-N-P.Спасибо всем принявшим участие.Жду коментариев.

Змінено користувачем Lube
Посилання на коментар
https://lanos.com.ua/topic/24980-nuzhna-pomosch-avtoelektrika-ili-elektronschika-sam-zashivayus/page/3/#findComment-714485
Поділитись на інші сайти

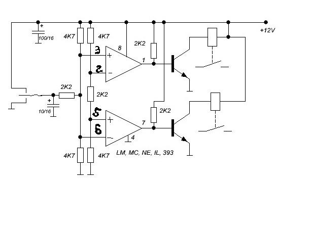
Там не транзисторы нужно другие, а поменять местами входы (+ -) компараторов/операционников.

Посилання на коментар
https://lanos.com.ua/topic/24980-nuzhna-pomosch-avtoelektrika-ili-elektronschika-sam-zashivayus/page/3/#findComment-715978
Поділитись на інші сайти

6898d3dc4b16.jpg

Так?

Посилання на коментар
https://lanos.com.ua/topic/24980-nuzhna-pomosch-avtoelektrika-ili-elektronschika-sam-zashivayus/page/3/#findComment-716039
Поділитись на інші сайти

Как работает компаратор. Если на "+" входе потенциал больше, чем на "-", то на выходе будет тоже "+" (или "1", или "единица" или "питание", как хош так и называй). Если наоборот, то соответственно "-" (или "0", или "ноль" или "земля"). Тебе для управления транзистором (для того, чтобы он открылся и включил реле) на базу нужно подать "+" (там конечно скорее всего открытый коллектор на выходе и + подается через резистор, но суть не в этом). Тоесть, нужно чтобы в установившемся режиме (без управления) на выходах компараторов был "-". Для этого нужно, чтобы потенциал входов "-" был выше, чем у "+".

На схеме у нас 2 делителя, один делает пол-питания (который из 2-х резисторов), а другой чуть больше и чуть меньше половины. Соответственно, для верхнего компаратора нужно "+" подключить к "половине", а "-" к чуть "больше половины", а для нижнего "+" к "чуть меньше половины", а "-" к половине.

Посилання на коментар
https://lanos.com.ua/topic/24980-nuzhna-pomosch-avtoelektrika-ili-elektronschika-sam-zashivayus/page/3/#findComment-716051
Поділитись на інші сайти

Ну я вроде так и нарисовал в предыдущем посте.Да на выходе компаратора транзистор с открытым коллектором.

a065c47b9326.jpg

Змінено користувачем Lube
Посилання на коментар
https://lanos.com.ua/topic/24980-nuzhna-pomosch-avtoelektrika-ili-elektronschika-sam-zashivayus/page/3/#findComment-716294
Поділитись на інші сайти

Мои небольшие замечания. Компараторы LM 393 имеют температурный диапазон от 0 до 70, лучше поставить 193 или 2903. Конденсаторы я бы ставил на 25 В, а не на 16 В. Конденсатору, который возле переключателя, в таком включении очень не легко будет - токи заряда/разряда большие - контакты переключателя искрить будут. И еще, по питанию я бы ставил фильтр.

Посилання на коментар
https://lanos.com.ua/topic/24980-nuzhna-pomosch-avtoelektrika-ili-elektronschika-sam-zashivayus/page/3/#findComment-716356
Поділитись на інші сайти

Согласен,по питанию в паралель конденсатору включен керамический конденсатор на 0.1мф,все конденсаторы на 25в,тот что по выключателю на 50в.По типу компаратора-спасибо поищем даташит.

Посилання на коментар
https://lanos.com.ua/topic/24980-nuzhna-pomosch-avtoelektrika-ili-elektronschika-sam-zashivayus/page/3/#findComment-716358
Поділитись на інші сайти

Ну я вроде так и нарисовал в предыдущем посте.

Ну так это я тебе рассказываю, чтобы ты понимал что к чему, а не просто схему перерисовывал :) Правильно все.

Посилання на коментар
https://lanos.com.ua/topic/24980-nuzhna-pomosch-avtoelektrika-ili-elektronschika-sam-zashivayus/page/3/#findComment-716416
Поділитись на інші сайти

Кста, если уже пошел разбор полетов, то конденсатор возле кнопки и не нужен особо (а еще лучше его взять маленького номинала (0,47-0,1 мкФ) и перенести за резистор, в среднюю точку делителя). Фильтрация по питанию не нужна, эта схема не цифровая и триггеров тут нет. Она не боится помех и быстродействие реле на порядок ниже любых помех будет.

По поводу коммерческого диапазона, не заморачивайся, работать будет. При определении диапазона производитель гарантирует все параметры микросхем (токи утечек, шум и т.п.). У тебя же схема самая дубовая, так что все будет работать и при -40 нормально!

Змінено користувачем _Sandra_
Посилання на коментар
https://lanos.com.ua/topic/24980-nuzhna-pomosch-avtoelektrika-ili-elektronschika-sam-zashivayus/page/3/#findComment-716421
Поділитись на інші сайти

Спасибо за ответы,схема работает,пока в тестовом режиме-на машине,будут замечания-будем устранять.Второй вариант пока соберу как будет время для тестов и резерва. :beer:

Посилання на коментар
https://lanos.com.ua/topic/24980-nuzhna-pomosch-avtoelektrika-ili-elektronschika-sam-zashivayus/page/3/#findComment-716427
Поділитись на інші сайти

Гість
Ця тема закрита для опублікування відповідей.
×
×
  • Створити...

Важлива інформація

Ми розмістили cookie-файлы на ваш пристрій, щоб допомогти зробити цей сайт кращим. Ви можете змінити налаштування cookie-файлів, або продовжити без зміни налаштувань.