Перейти до змісту

Установка других подрулевых переключателей


Рекомендовані повідомлення

Будь ласка Увійдіть або Зареєструйтесь щоб побачити посилання.

, Ваш последний пост - просто верх совершенства :lol: Читать внимательней не пробовали?

Человек написал какие релюхи у него стояли с завода, а не какие он купил, кроме того год выпуска авто - подтверждает что в то время реле с электронной паузой еще не было.

Вопрос заключался в том, что после переделки регулировка паузы производится от 4 до 12 сек. - или я в чем то ошибаюсь?

Меня только одно смущает - на авто с такой комплектацией крутилка шла с завода. Куда ж тогда делся подрулевик с кольцом?

Посилання на коментар
https://lanos.com.ua/topic/2213-ustanovka-drugih-podrulevyh-pereklyuchateley/page/7/#findComment-630699
Поділитись на інші сайти

Миша,ты как всегда внимателен,но разочарую тебя=корейцы в комплектации SE шли с завода даже без передних ПТФ(у меня нет проводки под них и установлены не родные),были только стекла передние с электроприводом,ГУР,кондей,по паузе тоже правильно прочитал от 4х до 12ти секунд в крайних положениях кольца,вот должно на днях приехать 544 реле-попробуем его подкинуть.но из опыта одноклубников пауза должна еще уменьшится-сопротивление резистора в подрулевикеЛаноса отличается от сопротивления в Авео и Лачетти.

Посилання на коментар
https://lanos.com.ua/topic/2213-ustanovka-drugih-podrulevyh-pereklyuchateley/page/7/#findComment-630762
Поділитись на інші сайти

Будь ласка Увійдіть або Зареєструйтесь щоб побачити посилання.

, Увеличить паузу можно двумя способами: увеличить емкость конденсатора или номинал резистора. Если Сопротивление меньше и увеличить нельзя - значит надо увеличивать есмкость.

К сожалению данное реле не разбирал и схемы его не знаю.

Попутно возникли вопросы:

1. Ты перерезал провод и включил в разрыв кольцо - куда шел провод? Может он уже к подруливику был выведен?

2. Не понял какая связь с Авео и Лачетти - ведь релюхи стоят родные Ланосовские и подруливик тоже - я так понял?

Вот надор релюх с корейца 2001 г.в. Подрулевик в нем с кольцом, хотя наворотов меньше чем в Твоем.

Посилання на коментар
https://lanos.com.ua/topic/2213-ustanovka-drugih-podrulevyh-pereklyuchateley/page/7/#findComment-630787
Поділитись на інші сайти

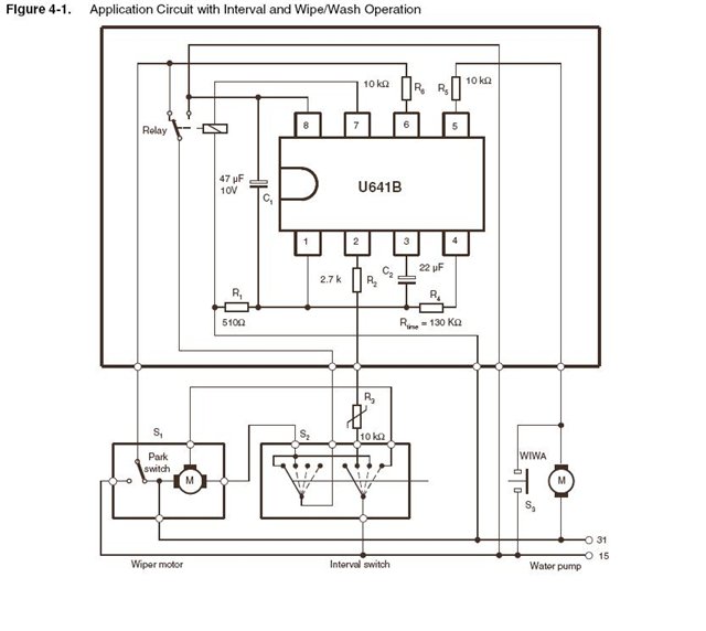
Да это мой набор реле,серый с белой полосой шел на подрулевой переключатель(вывод int)на реле 96312300 он подключен к выводу I,по поводу Лачетти и Авео-у нас у одноклубников (у 2х)стоят подрулевые от Авео и у обоих разные реле(у FT-300е,у Agiluk-544е)так при одинаковых сопротивлениях резистора в подрулевике у них разные паузы в крайних положениях кольца,причем у ФТ на 300м реле и подрулевом от Авео макс пауза 26секунд.

В 96312300 стоит микра U641B.

f38018549670.jpg

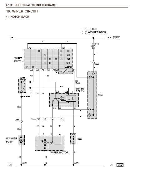
Приподключении использовал схему-

5a174f4f1cd4.jpg

Змінено користувачем Lube
Посилання на коментар
https://lanos.com.ua/topic/2213-ustanovka-drugih-podrulevyh-pereklyuchateley/page/7/#findComment-630821
Поділитись на інші сайти

Будь ласка Увійдіть або Зареєструйтесь щоб побачити посилання.

, Если я правильно понимаю, то пауза задается последовательным соединением R2 и R3.

R2, С2 - задает минимальную паузу, а величина R3 - добавляет время к минимальной паузе.

Чем больше R3, тем больше диапазон регулировки. Зависит исключительно от параметров кольца в подруливике.

Змінено користувачем mich_ya
Посилання на коментар
https://lanos.com.ua/topic/2213-ustanovka-drugih-podrulevyh-pereklyuchateley/page/7/#findComment-630885
Поділитись на інші сайти

Полностью согласен.

Посилання на коментар
https://lanos.com.ua/topic/2213-ustanovka-drugih-podrulevyh-pereklyuchateley/page/7/#findComment-631026
Поділитись на інші сайти

кстати, количество взмахов при брызге на стелко у нексиевской реле - 4 раза, так же легко заменой сопротивления 150 ком на 68 ком можно сделать 3 взмаха...ну это если кому нужно

итак засек всего 11 секунд максимальная пауза на нубировских подрулевых и нексиевском реле, будем немного увеличивать паузу, гдето до 20 секунд...

Змінено користувачем wow!
Посилання на коментар
https://lanos.com.ua/topic/2213-ustanovka-drugih-podrulevyh-pereklyuchateley/page/7/#findComment-631114
Поділитись на інші сайти

Приношу свои извенения за дезинформацию.

Сегодня попробовал еще раз паузу на электронном реле. Регулируется в диапазоне от 0 до 17 сек.

Посилання на коментар
https://lanos.com.ua/topic/2213-ustanovka-drugih-podrulevyh-pereklyuchateley/page/7/#findComment-631444
Поділитись на інші сайти

ну вот я буду опираться на электоронное реле, тоже попробую сделать 17 сек...

Посилання на коментар
https://lanos.com.ua/topic/2213-ustanovka-drugih-podrulevyh-pereklyuchateley/page/7/#findComment-631543
Поділитись на інші сайти

нормальная цена по такой и я бы взял :)

ну дык в чем проблемы, стучитесь к BEMCHIK на ин уа, у него этого гуталина - нупросто завались! (с)

Не могу найти BEMCHIK или шото не получается, скинь ПЖ ссилку на него, можно в личку

Посилання на коментар
https://lanos.com.ua/topic/2213-ustanovka-drugih-podrulevyh-pereklyuchateley/page/7/#findComment-631551
Поділитись на інші сайти

странно а что его искать? имя я указал, далее 2 клика мышкой...

Будь ласка Увійдіть або Зареєструйтесь щоб побачити посилання.

Посилання на коментар
https://lanos.com.ua/topic/2213-ustanovka-drugih-podrulevyh-pereklyuchateley/page/7/#findComment-631575
Поділитись на інші сайти

Будь ласка Увійдіть або Зареєструйтесь щоб побачити посилання.

, Если я правильно понимаю, то пауза задается последовательным соединением R2 и R3.

R2, С2 - задает минимальную паузу, а величина R3 - добавляет время к минимальной паузе.

Чем больше R3, тем больше диапазон регулировки. Зависит исключительно от параметров кольца в подруливике.

Стоит немного поправить: С2,R4 задает время на работу дворника при включении омывайки...

Посилання на коментар
https://lanos.com.ua/topic/2213-ustanovka-drugih-podrulevyh-pereklyuchateley/page/7/#findComment-631585
Поділитись на інші сайти

ну вот я буду опираться на электоронное реле, тоже попробую сделать 17 сек...

Тогда рекомендую делать не 0...17, а постоянным резистором или конденсатором задать минимальную желаемую паузу, например 5...10 сек, а далее увеличивать паузу за счет кольца. 17 сек (максимальной паузы) - бывает мало. Иногда хочется больше :D Будет возможность и отсутствие лени - себе обязательно увеличу :)

P.S: Ноль в прерывистом режиме никому не нужен - он есть в следующем положении подруливика :)

Посилання на коментар
https://lanos.com.ua/topic/2213-ustanovka-drugih-podrulevyh-pereklyuchateley/page/7/#findComment-631591
Поділитись на інші сайти

да так и сделаю, последовательно с переменным регулятором поставлю сопротивление на 2 кОм, и таким образом смещу паузу гдето на 5-6 секунд, будет не 0-11 а 5-17 сек примерно

Змінено користувачем wow!
Посилання на коментар
https://lanos.com.ua/topic/2213-ustanovka-drugih-podrulevyh-pereklyuchateley/page/7/#findComment-631597
Поділитись на інші сайти

Вот почитал несколько последних страниц темы, ну тоже, если честно не доганяю, чем электронная установка паузы вас не устраивает. Ведь переменники в подрулевике с большей пользой для других целей можно использовать, чем в ручную крутить задержку взмахов дворников, да еще и схему подключения переделывать. Ведь дополнительные кольца , слева, включатель справа переменник можно например приколхозить в другое место, например справа организовать регулировку яркости подсветки в ночном режиме, если приборка имеет светодиодную подсветку, ну а левый выключатель еще куда нибудь.

Посилання на коментар
https://lanos.com.ua/topic/2213-ustanovka-drugih-podrulevyh-pereklyuchateley/page/7/#findComment-631651
Поділитись на інші сайти

и все-таки, как этой электронной паузой управлять? можете рассказать четкий алгоритм? :unsure:

Посилання на коментар
https://lanos.com.ua/topic/2213-ustanovka-drugih-podrulevyh-pereklyuchateley/page/7/#findComment-631777
Поділитись на інші сайти

Будь ласка Увійдіть або Зареєструйтесь щоб побачити посилання.

,

1. Включаешь прерывистый режим - первое положение.

2. Кратковременно тянешь рычаг на себя - при этом дворники должны махнуть всего один раз. Если махнут три раза - значит потянул дольше чем надо.

3. Выжидаешь нужную паузу.

4. Опять кратковременно тянешь рычаг.

Пауза установлена. Время паузы равно времени ожидания в п.3. Если п.4 пропустить - установиться максимально возможная пауза.

Посилання на коментар
https://lanos.com.ua/topic/2213-ustanovka-drugih-podrulevyh-pereklyuchateley/page/7/#findComment-631790
Поділитись на інші сайти

благодарю. пошел тестить :vinni:

Посилання на коментар
https://lanos.com.ua/topic/2213-ustanovka-drugih-podrulevyh-pereklyuchateley/page/7/#findComment-631814
Поділитись на інші сайти

установиться максимально возможная пауза.

15с

Посилання на коментар
https://lanos.com.ua/topic/2213-ustanovka-drugih-podrulevyh-pereklyuchateley/page/7/#findComment-631888
Поділитись на інші сайти

15с

А почему не 17 не 20 а именно 15 :D - я специально написал: максимально возможная пауза т.к. параметры паузы даже у одной модели релюх могут быть разными.

Посилання на коментар
https://lanos.com.ua/topic/2213-ustanovka-drugih-podrulevyh-pereklyuchateley/page/7/#findComment-631921
Поділитись на інші сайти

Дополню Lube, у меня стоят подрулевики не с Авео а с Лачетти.

Посилання на коментар
https://lanos.com.ua/topic/2213-ustanovka-drugih-podrulevyh-pereklyuchateley/page/7/#findComment-634229
Поділитись на інші сайти

итак прошла неделя дождей, за неделю покатался от слегка накрапывающего дождика до ливня, с которым не справляется самый быстрый режим! ничего с паузой менять не буду, максимальной паузы в 11 сек лично мне предостаточно...

Посилання на коментар
https://lanos.com.ua/topic/2213-ustanovka-drugih-podrulevyh-pereklyuchateley/page/7/#findComment-635467
Поділитись на інші сайти

Пацаны, то где ж этот чел, который нубировские переключатели по 120 гринов продает, - я ему стучусь на ин.уа а он молчит.

Может хто нибудь знает его координаты (тел и т.д.) отпишитесь ПЖ

Посилання на коментар
https://lanos.com.ua/topic/2213-ustanovka-drugih-podrulevyh-pereklyuchateley/page/7/#findComment-638326
Поділитись на інші сайти

я тоже пытался достучаться не вышло.

Вот недавно был на разборке, присмотрел себе хундаевские ручки с буса, смотрятся получше чем вышепоказанные., только переключатели сами не такие, Если продадут только ручки с переключателсями, возьму. попытаюсь заколхозить комбинированный вариант, сами ручки по виду получше будут

Посилання на коментар
https://lanos.com.ua/topic/2213-ustanovka-drugih-podrulevyh-pereklyuchateley/page/7/#findComment-638347
Поділитись на інші сайти

Пацаны, то где ж этот чел, который нубировские переключатели по 120 гринов продает, - я ему стучусь на ин.уа а он молчит.

Может хто нибудь знает его координаты (тел и т.д.) отпишитесь ПЖ

Это Игорь Бемчик,на ин юа есть его телефоны-лучше позвонить.

-------------------

СТО/РАЗБОРКА

DAEWOO LANOS

067-2-654321

063-22-88-798

ул.ОХТЫРСКАЯ/8

г.КИЕВ

Змінено користувачем Lube
Посилання на коментар
https://lanos.com.ua/topic/2213-ustanovka-drugih-podrulevyh-pereklyuchateley/page/7/#findComment-638425
Поділитись на інші сайти

Для публікації повідомлень створіть обліковий запис або авторизуйтесь

Ви повинні бути користувачем, щоб залишити коментар

Створити обліковий запис

Зареєструйте новий обліковий запис у нашій спільноті. Це дуже просто!

Реєстрація нового користувача

Увійти

Вже є акаунт? Увійти до системи.

Увійти
×
×
  • Створити...

Важлива інформація

Ми розмістили cookie-файлы на ваш пристрій, щоб допомогти зробити цей сайт кращим. Ви можете змінити налаштування cookie-файлів, або продовжити без зміни налаштувань.