Перейти до змісту

Установка других подрулевых переключателей


Рекомендовані повідомлення

Что вы говорите? ))

А может SOIC? А сколько ног? А нормально название корпуса подсказать? ))

Посилання на коментар
https://lanos.com.ua/topic/2213-ustanovka-drugih-podrulevyh-pereklyuchateley/page/23/#findComment-1781662
Поділитись на інші сайти

Что вы говорите? ))

А может SOIC? А сколько ног? А нормально название корпуса подсказать? ))

микросхема на 8 ножек под поверхностный монтаж

Посилання на коментар
https://lanos.com.ua/topic/2213-ustanovka-drugih-podrulevyh-pereklyuchateley/page/23/#findComment-1781798
Поділитись на інші сайти

Значит SOIC-8. Не вижу никаких проблем, если нужна помощь по прошивке - окажу.

Посилання на коментар
https://lanos.com.ua/topic/2213-ustanovka-drugih-podrulevyh-pereklyuchateley/page/23/#findComment-1782248
Поділитись на інші сайти

  • 2 місяця потому...

Ребят, нужна помощь, поставил сегодня переключатель с паузой и 544 реле, у меня было гибридное и я перекинул нужные проводка на 544, а все остальные оставил, паузу кинул в разрыв I, а в итоге всё работает кроме паузы и первого режима(((

Перекинул всё назад на гибрид и всё работало.... - это я затупил или реле подпаленное?

Посилання на коментар
https://lanos.com.ua/topic/2213-ustanovka-drugih-podrulevyh-pereklyuchateley/page/23/#findComment-1825435
Поділитись на інші сайти

  • 4 тижня потому...

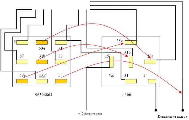
скажите пожалуйста все подключил по этой картинке

med_gallery_15247_686_11047.jpg

+12 взял от 15f 863 реле. И вот что получилось цикличность работает только при включенных фарах. Как так ?

Посилання на коментар
https://lanos.com.ua/topic/2213-ustanovka-drugih-podrulevyh-pereklyuchateley/page/23/#findComment-1838072
Поділитись на інші сайти

Аналогичная ситуация, взяли + с другого реле и теперь всё норм :)

Посилання на коментар
https://lanos.com.ua/topic/2213-ustanovka-drugih-podrulevyh-pereklyuchateley/page/23/#findComment-1838869
Поділитись на інші сайти

  • 8 місяців потому...

скажите пожалуйста все подключил по этой картинке

med_gallery_15247_686_11047.jpg

+12 взял от 15f 863 реле. И вот что получилось цикличность работает только при включенных фарах. Как так ?

эта схема работает? а то купил реле ...300 и не могу правильно подключить

Посилання на коментар
https://lanos.com.ua/topic/2213-ustanovka-drugih-podrulevyh-pereklyuchateley/page/23/#findComment-1964599
Поділитись на інші сайти

Схема правильная, хотя и немного неудчно нарисована.

Перебрасываем кантакты:

31b (мтотр стеклоочистителя)

53e (подрулевой переключатель)

53c (мотор насоса)

Делаем отводы (питание :(

31 - 31  масса

30 - 15  +12В (не путайте с 15F)

Управление кольцом:

I - тоже перебрасываем, но в разрыв подключаем резистор управления скоростью (кольцо)

 

Все сводится к последней операции. И делаем ее только потому что 863-е реле электронное и не реагирует на изменения напряжения на управляющек мконтакте I, а 300-е и подобные реагируют, т.е. изменяют цикличность.

 

Отсаются на 863-м:

31 масса

30 питание +12В

87 задние противотуманки (плюс питания противотуманок)

15F ближний свет (плюс от ближнего света)

E кнопка вкл. противотуманок (минус от кнопки)

Змінено користувачем aau
Посилання на коментар
https://lanos.com.ua/topic/2213-ustanovka-drugih-podrulevyh-pereklyuchateley/page/23/#findComment-1965421
Поділитись на інші сайти

 Спасибо) Будем пробывать

Посилання на коментар
https://lanos.com.ua/topic/2213-ustanovka-drugih-podrulevyh-pereklyuchateley/page/23/#findComment-1965439
Поділитись на інші сайти

  • 1 місяць потому...

Купил реле 96250544, но там другая маркировка выводов - 15 понятно, 31 понятно, Т -?, 53М -?, 53S -?, I понятно.

Кто может подсказать

Посилання на коментар
https://lanos.com.ua/topic/2213-ustanovka-drugih-podrulevyh-pereklyuchateley/page/23/#findComment-1979527
Поділитись на інші сайти

Это точно 96250544? Маркировка на 96250544 должна быть стандартная вне зависимости от производителя реле. Для этого у него и есть код 96250544.

Посилання на коментар
https://lanos.com.ua/topic/2213-ustanovka-drugih-podrulevyh-pereklyuchateley/page/23/#findComment-1979704
Поділитись на інші сайти

Вот ссылка

Будь ласка Увійдіть або Зареєструйтесь щоб побачити посилання.

Посилання на коментар
https://lanos.com.ua/topic/2213-ustanovka-drugih-podrulevyh-pereklyuchateley/page/23/#findComment-1979903
Поділитись на інші сайти

посмотри на расположение выводов например на этом pws-2-przekaznik-wyciera_25.jpg

так и подключай

Посилання на коментар
https://lanos.com.ua/topic/2213-ustanovka-drugih-podrulevyh-pereklyuchateley/page/23/#findComment-1979925
Поділитись на інші сайти

Схема с боку есть? Плохо видно. Сравнить с оригиналом. Фото оригинального реле есть в интернете.

Вот уже ответили.

Змінено користувачем aau
Посилання на коментар
https://lanos.com.ua/topic/2213-ustanovka-drugih-podrulevyh-pereklyuchateley/page/23/#findComment-1979936
Поділитись на інші сайти

  • 8 місяців потому...

Всім привіт. Купив підрульовик з паузою , у мене стоіть таке релле (фото), що мені ще потрібно і як правильно підключити?

Будь ласка Увійдіть або Зареєструйтесь щоб побачити зображення.

Змінено користувачем znatok2009
Посилання на коментар
https://lanos.com.ua/topic/2213-ustanovka-drugih-podrulevyh-pereklyuchateley/page/23/#findComment-2063015
Поділитись на інші сайти

Вытяните из колодки реле контакт I (i). Этот контакта жгута подключите к рулевому переключателю (резистору). Второй контакт переключателя (резистора) к контакту реле.

 

Расположение контактов у разных реле одинаково, за исключением гибридных реле (зеленое). Но оно у вас обыкновенное.

Змінено користувачем aau
Посилання на коментар
https://lanos.com.ua/topic/2213-ustanovka-drugih-podrulevyh-pereklyuchateley/page/23/#findComment-2063073
Поділитись на інші сайти

  • 2 тижня потому...
  • 1 місяць потому...

Вытяните из колодки реле контакт I (i). Этот контакта жгута подключите к рулевому переключателю (резистору). Второй контакт переключателя (резистора) к контакту реле.

 

Расположение контактов у разных реле одинаково, за исключением гибридных реле (зеленое). Но оно у вас обыкновенное.

Другими словами нужно в провод  контакта " I " врезать два контакта с кольца подруливика? И без разница какого цвета провод кольца будет идти на реле?

Посилання на коментар
https://lanos.com.ua/topic/2213-ustanovka-drugih-podrulevyh-pereklyuchateley/page/23/#findComment-2082536
Поділитись на інші сайти

Другими словами нужно в провод  контакта " I " врезать два контакта с кольца подруливика? И без разница какого цвета провод кольца будет идти на реле?

Конечно. Просто жалко резать провода.

Посилання на коментар
https://lanos.com.ua/topic/2213-ustanovka-drugih-podrulevyh-pereklyuchateley/page/23/#findComment-2082548
Поділитись на інші сайти

А никто не пробовал пошаманить с родными переключателями, что бы они мягче переключались, а то кумарит этот тугой и громкий щелчок. Или только замена перекл.?

Посилання на коментар
https://lanos.com.ua/topic/2213-ustanovka-drugih-podrulevyh-pereklyuchateley/page/23/#findComment-2082553
Поділитись на інші сайти

Конечно. Просто жалко резать провода.

жалко.)))) вот думаю разобрать колодку и все соединить на клемах. Кстате кто в курсе в магазине можно найти папу для подключение в маму на проводах кольца?

Посилання на коментар
https://lanos.com.ua/topic/2213-ustanovka-drugih-podrulevyh-pereklyuchateley/page/23/#findComment-2082562
Поділитись на інші сайти

Кстате нашел интерсную доработку реле.

Будь ласка Увійдіть або Зареєструйтесь щоб побачити посилання.

Посилання на коментар
https://lanos.com.ua/topic/2213-ustanovka-drugih-podrulevyh-pereklyuchateley/page/23/#findComment-2082564
Поділитись на інші сайти

С кольцом обычное украинское (ну и корейское тоже) реле отлично работает без переделок.

Посилання на коментар
https://lanos.com.ua/topic/2213-ustanovka-drugih-podrulevyh-pereklyuchateley/page/23/#findComment-2082599
Поділитись на інші сайти

Для публікації повідомлень створіть обліковий запис або авторизуйтесь

Ви повинні бути користувачем, щоб залишити коментар

Створити обліковий запис

Зареєструйте новий обліковий запис у нашій спільноті. Це дуже просто!

Реєстрація нового користувача

Увійти

Вже є акаунт? Увійти до системи.

Увійти
×
×
  • Створити...

Важлива інформація

Ми розмістили cookie-файлы на ваш пристрій, щоб допомогти зробити цей сайт кращим. Ви можете змінити налаштування cookie-файлів, або продовжити без зміни налаштувань.