Перейти до змісту

57.0-73.2 VW Автоюа.JPG


Авторські права

© lanos.com.ua

З альбому:

Pavel80

· 983 зображення
  • 983 зображення
  • 0 коментарів
  • 171 коментар

Інформація про фото 57.0-73.2 VW Автоюа.JPG


Рекомендовані коментарі

Georgg

Опубліковано

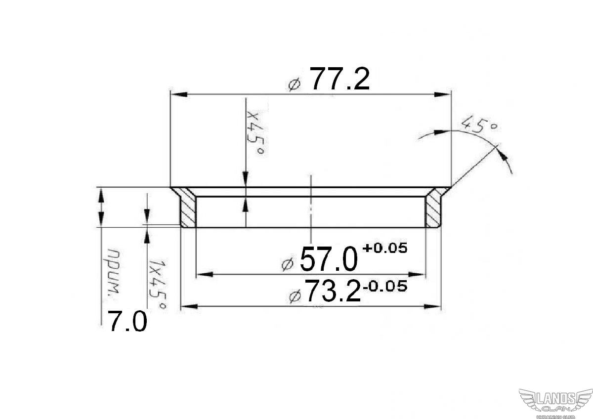
Павел, объясните изображение, что это за втулка, толщина стенки - 8 мм?

Куда её можно применить?

Pavel80

Опубліковано

Павел, объясните изображение, что это за втулка, толщина стенки - 8 мм?

Куда её можно применить?

это центровочное кольцо на литой диск

Georgg

Опубліковано

это центровочное кольцо на литой диск

Спасибо, теперь понятно.

×
×
  • Створити...

Важлива інформація

Ми розмістили cookie-файлы на ваш пристрій, щоб допомогти зробити цей сайт кращим. Ви можете змінити налаштування cookie-файлів, або продовжити без зміни налаштувань.