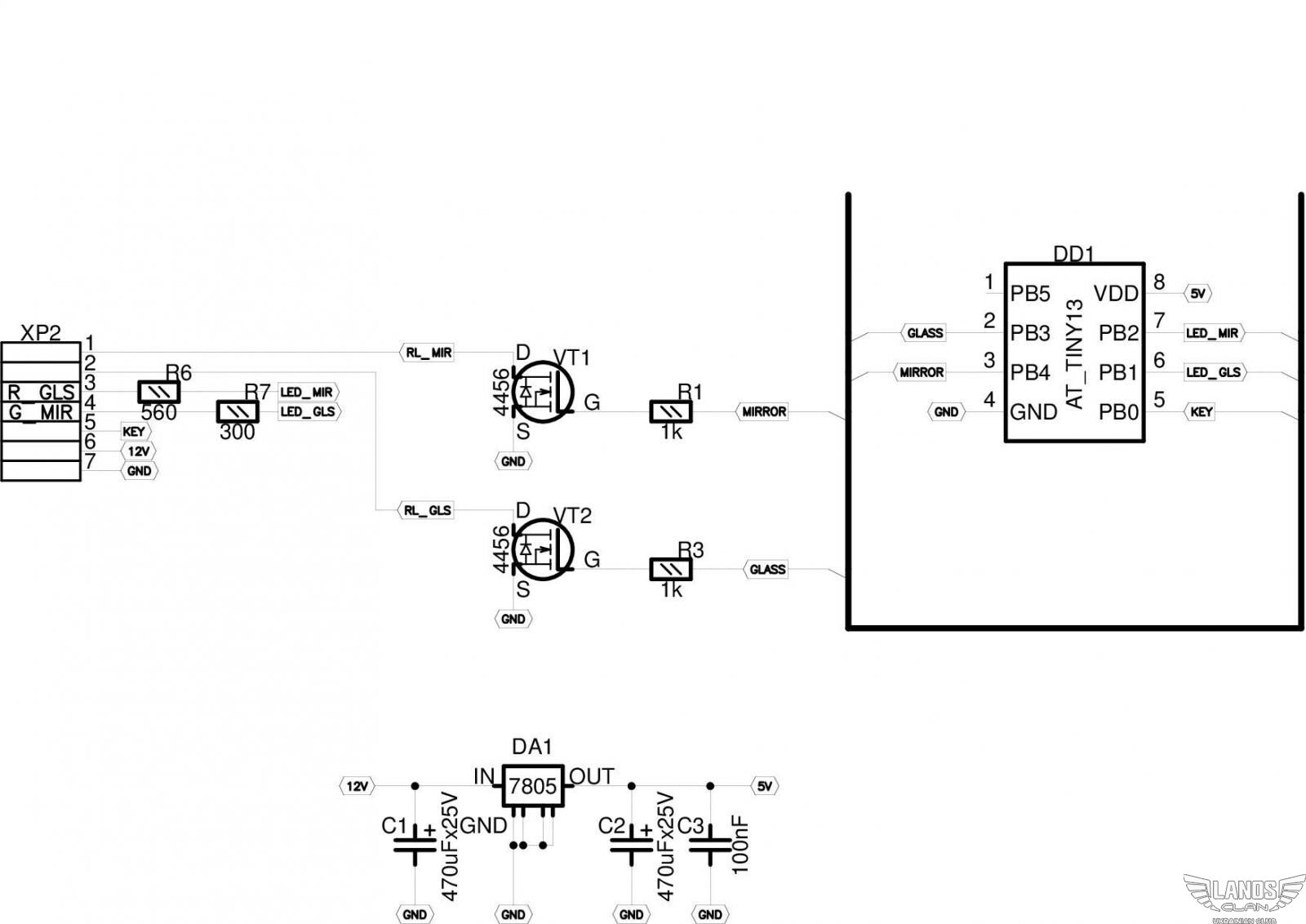
Раздельное управление нагревом зеркал и заднего стекла
Авторські права
© lanos.com.ua
0
Автор AlexNT
Всеукраїнський клуб ЛАНОС КЛАН – створено з метою налагодити спілкування між автолюбителями, організувати клубну спільноту для тематичного спілкування, зустрічей та інших заходів.
Всеукраїнський клуб ЛАНОС КЛАН - Клуб, який об'єднав абсолютно різних людей з абсолютно різних куточків України.
Всеукраїнський клуб ЛАНОС КЛАН був створений 01 березня 2005 року невеликою групою людей, які зробили величезний внесок в його розвиток.
За допомогою форми: Зворотній Зв'язок.
За допомогою E-Mail: Напишіть нам
Ми розмістили cookie-файлы на ваш пристрій, щоб допомогти зробити цей сайт кращим. Ви можете змінити налаштування cookie-файлів, або продовжити без зміни налаштувань.
Рекомендовані коментарі
Коментарів немає